跳转到主要内容
editor Chen 提交于

数模转换器(DAC)是将数字量转换成模拟量,完成这个转换的器件叫做数模转换器。本文将介绍数模转换器的概念、原理、主要技术指标以及不同类型DAC特点进行介绍。

<strong>数模转换器的基本原理及DAC类型简介 </strong>
   <strong>1 数模转换器的概念 </strong>
  经数字系统处理后的数字量,有时又要求再转换成模拟量以便实际使用,这种转换称为“数模转换”。完成数模转换的电路称为数模转换器, 简称 DAC(Digital to Analog Converter)。
<center><img src="http://mouser.eetrend.com/files/2017-05/wen_zhang_/100006118-18838-1.pn…; alt="DAC的工作原理框图"></center>
<center><i>DAC的工作原理框图</i></center>

  <strong> 2、DAC 中的基本概念 </strong>
   <strong>分辨率 </strong>
  DAC中的分辨率定义为在不同的输入数字码值下所有可能输出的模拟电平的 个数,N位分辨率意味着DAC能产生2 N −1 个不同的模拟电平,一般情况下它就指输入 数字码的位数。

   <strong>失调和增益误差 </strong>
  失调定义为当输入0码值时实际输出的模拟信号的值,增益误差定 义为当扣除失调后理想的满量程输出的值和实际输出的值的差,如图所示。
<center><img src="http://mouser.eetrend.com/files/2017-05/wen_zhang_/100006118-18839-2.pn…; alt="DAC的失调和增益误差"></center>
<center><i>DAC的失调和增益误差</i></center>

   <strong>精度 </strong>
  DAC中的精度分为绝对精度和相对精度。绝对精度定义为理想输出和实际输出之 间的差,包括各种失调和非线性误差在内。相对精度定义为最大积分非线性误差。精度表示为满量程的比例,用有效位数来表示。例如8-bit 精度表示DAC的误差小于DAC输出满量程的 1/8 2 。注意精度这个概念和分辨率不相关。一个12-bit 分辨率的DAC可能精度只有10-bit;而一个10-bit分辨率的DAC可能有12-bit的精度。精 度大于分辨率意味着DAC的传输响应能够被比较精确地控制。

   <strong>积分线性误差(INL-Integral Nonlinearity) </strong>
  当除去失调和增益误差后,积分线性误差就定义为实际输出传输特性曲线对理想传输特性曲线(一条直线)的偏离。如图所示。
  <center><img src="http://mouser.eetrend.com/files/2017-05/wen_zhang_/100006118-18840-3.pn…; alt="DAC的积分和微分线性误差"></center>
   <center><i>DAC的积分和微分线性误差</i></center>

  微分线性误差(DNL-Differential Nonlinearity)
  在理想的DAC中,每次模拟输 出变化最小为1LSB,微分线性误差定义为每次模拟输出变化最小时对1LSB的偏离(将增 益误差和失调除外)。我们定义的DNL是对每个数字输入码值而言的,有时也有用最大 的DNL来定义整个DAC的DNL。理想的DAC对于每个数字输入其微分线性误差均为0, 而一个具有最大DNL为0.5LSB的DAC的每次最小变化输出在0.5LSB到1.5LSB之间。如图DAC的积分和微分线性误差所示。

  抖动能量(Glitch Impulse Area) 输入信号变化以后在输出端出现的抖动下的 最大面积。

  建立时间(Settling Time) 在最终值的一个特定的误差范围之内,输出经历满 幅转换所需要的时间。
  单调性 一个单调的DAC指随着输入数字码值增加输出模拟电平一直增加DAC。如果 最大的DNL控制在0.5LSB以内,那么DAC的单调性自然能得到保证。

  伪动态范围(SFDR) SFDR就是Spurious Free Dynamic Range,即无噪声和谐波的动态范围。噪声和谐波都称为伪信号(Spurious)。

   <strong>3 数模转换原理 </strong>
  将输入的每一位二进制代码按其权的大小转换成相应的模拟量,然后将代表各位的模拟量相加,所得的总模拟量就与数字量成正比,这样便实现了从数字量到模拟量的转换。

  <center><img src="http://mouser.eetrend.com/files/2017-05/wen_zhang_/100006118-18841-4.pn…; alt=""></center>

  其中<img src="http://mouser.eetrend.com/files/2017-05/wen_zhang_/100006118-18842-5.pn…; alt="">为二进制数按位权展开转换成的十进制数值。

   <strong>4 数模转换器的构成及不同类型数模转换器的特点 </strong>
  DAC 主要由数字寄存器、模拟电子开关、位权网络、求和运算放大 器和基准电压源(或恒流源)组成。用存于数字寄存器的数字量的各 位数码,分别控制对应位的模拟电子开关,使数码为 1 的位在位权 网络上产生与其位权成正比的电流值,再由运算放大器对各电流值求和,并转换成电压值。

  根据位权网络的不同,可以构成不同类型的 DAC,如权电阻网络 DAC、R–2R 倒 T 形电阻网络 DAC 和单值电流型网络 DAC 等。 权电阻网络DAC 的转换精度取决于基准电压VREF,以及模拟电子开 关、运算放大器和各权电阻值的精度。它的缺点是各权电阻的阻值都 不相同,位数多时,其阻值相差甚远,这给保证精度带来很大困难, 特别是对于集成电路的制作很不利,因此在集成的 DAC 中很少单独使用该电路。

   <strong>5 模数转换器的主要技术指标 </strong>
  DAC 的转换精度与转换速度:转换精度 在 DAC 中一般用分辨率和转换误差来描述转换精度。

   <strong>(1) 分辨率 </strong>
  一般用 DAC 的位数来衡量分辨率的高低,因为位数越多,其输出电 压vO的取值个数就越多(2n 个),也就越能反映出输出电压的细微变化,分辨能力就越高。

  此外,也可以用 DAC 能分辨出来的最小输出电压 1 LSB 与最大输出 电压 FSR 之比定义分辨率。即<img src="http://mouser.eetrend.com/files/2017-05/wen_zhang_/100006118-18843-6.pn…; alt="">

  该值越小,分辨率越高。

   <strong>(2) 转换误差 </strong>
  转换误差是指实际输出的模拟电压与理想值之间的最大偏差。常用这 个最大偏差与 FSR 之比的百分数或 若干个 LSB 表示。实际上它是三种误差的综合指标。

   <strong>(3) 转换速度 </strong>
  转换速度一般由建立时间决定。从输入由全0 突变为全1 时开始,到 输出电压稳定在 FSR±½ LSB 范围(或以 FSR±x%FSR 指明范围)内 为止,这段时间称为建立时间,它是DAC 的最大响应时间,所以用它衡量转换速度的快慢。

<strong>6 数模转换器的构成 </strong>
  DAC 主要由数字寄存器、模拟电子开关、位权网络、求和运算放大器和基准电压源(或恒流源)组成。用存于数字寄存器的数字量的各 位数码,分别控制对应位的模拟电子开关,使数码为 1 的位在位权网络上产生与其位权成正比的电流值,再由运算放大器对各电流值求和,并转换成电压值。

  根据位权网络的不同,可以构成不同类型的 DAC,如权电阻网络 DAC、R–2R 倒 T 形电阻网络 DAC 和单值电流型网络 DAC 等

   <strong>7. DAC 的各种拓扑结构 </strong>
  <strong>电阻型: </strong>
  结构如图1所示。图1所示的是一个R-2R阶梯网络型的转换器。其优点在于能实现很好的线性度,由于所有的电流源都是等值的,我们可以用特殊的附加技术使它们间 误差较小,与电阻分压相比其结构简单得多。缺点是电阻总是非线性的,还包含着和信 号有关的寄生电容,要做到完全匹配较难。同时速度受到输出缓冲器的限制,速度做不到很高。
<center><img src="http://mouser.eetrend.com/files/2017-05/wen_zhang_/100006118-18844-7.pn…; alt="图1 电阻型DAC的结构图"></center>
<center><i>图1 电阻型DAC的结构图</i></center>

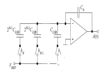
   <strong>电容型: </strong>
  结构如图2所示。最高位的电容CN 是最低位电容C1的 1 2N− 倍。优点是功耗较小, 匹配精度比电阻高。主要的限制因素是电容的不匹配,开关的导通电阻,较大RC延迟 以及放大器有限带宽对DAC速度的影响。电荷分配型DAC的一个主要缺点是CMOS工 艺中的电容实现起来要占很大的芯片面积。最后由于CMOS工艺中的电容本质是非线性 的,总的DAC的线性度将受到抑制。适用于中宽带高精度。
<center><img src="http://mouser.eetrend.com/files/2017-05/wen_zhang_/100006118-18845-8.pn…; alt="图2 电容型DAC的结构图"></center>
<center><i>图2 电容型DAC的结构图</i></center>

  电流型:
  结构如图3所示。其优点是当精度小于10位时能将面积做得很小,速度不受放大 器带宽和较大RC延迟的限制,可达到很高的速度,由于所有的电流都直接流向输出端, 所以能量的使用效率很高,且容易实现。缺点是对器件不匹配性的敏感和有限的电流源输出阻抗。适合高速宽带的要求。

  输出时也可以不采用运算放大器,直接利用负载电阻将电流转换成电压输出,如图4所示。这种形式使得DAC的速率可以不受运放带宽的限制。
<center><img src="http://mouser.eetrend.com/files/2017-05/wen_zhang_/100006118-18846-9.pn…; alt="图3 电流型DAC的结构图"></center>
<center><i>图3 电流型DAC的结构图</i></center>
  
<center><img src="http://mouser.eetrend.com/files/2017-05/wen_zhang_/100006118-18847-10.p…; alt="图4 输出直接利用负载电阻进行转换"></center>
<center><i>图4 输出直接利用负载电阻进行转换</i></center>