跳转到主要内容
cathy 提交于

什么是Power Supply?

<center><img src="http://mouser.eetrend.com/files/2020-06/wen_zhang_/100049807-99436-1.jp…; alt=“” width="600"></center>

开关电源的元件构成

<center><img src="http://mouser.eetrend.com/files/2020-06/wen_zhang_/100049807-99437-2.jp…; alt=“” width="600"></center>

三种基本的非隔离开关电源

<center><img src="http://mouser.eetrend.com/files/2020-06/wen_zhang_/100049807-99438-3.jp…; alt=“” width="600"></center>

三种基本的隔离开关电源

<center><img src="http://mouser.eetrend.com/files/2020-06/wen_zhang_/100049807-99439-4.jp…; alt=“” width="600"></center>

反激变换器(Flyback)工作原理 (电流连续模式)

<center><img src="http://mouser.eetrend.com/files/2020-06/wen_zhang_/100049807-99440-5.jp…; alt=“” width="600"></center>

反激变换器(Flyback)工作原理 (电流断续模式)

<center><img src="http://mouser.eetrend.com/files/2020-06/wen_zhang_/100049807-99441-6.jp…; alt=“” width="600"></center>

反激变换器(Flyback)工作原理(1)

<center><img src="http://mouser.eetrend.com/files/2020-06/wen_zhang_/100049807-99442-7.jp…; alt=“” width="600"></center>

反激变换器(Flyback)工作原理(2)

<center><img src="http://mouser.eetrend.com/files/2020-06/wen_zhang_/100049807-99443-8.jp…; alt=“” width="600"></center>

反激变换器(Flyback)工作原理(3)

<center><img src="http://mouser.eetrend.com/files/2020-06/wen_zhang_/100049807-99444-9.jp…; alt=“” width="600"></center>

反激变换器(Flyback)工作原理(4)

<center><img src="http://mouser.eetrend.com/files/2020-06/wen_zhang_/100049807-99445-10.j…; alt=“” width="600"></center>

反激变换器(Flyback)特征总结

<center><img src="http://mouser.eetrend.com/files/2020-06/wen_zhang_/100049807-99446-11.j…; alt=“” width="600"></center>

谐振复位正激变换器(Resonant Reset Forward)(1)

<center><img src="http://mouser.eetrend.com/files/2020-06/wen_zhang_/100049807-99447-12.j…; alt=“” width="600"></center>

谐振复位正激变换器(Resonant Reset Forward)(2)

<center><img src="http://mouser.eetrend.com/files/2020-06/wen_zhang_/100049807-99448-13.j…; alt=“” width="600"></center>

谐振复位正激变换器(Resonant Reset Forward)(3)

<center><img src="http://mouser.eetrend.com/files/2020-06/wen_zhang_/100049807-99449-14.j…; alt=“” width="600"></center>

谐振复位正激变换器(Resonant Reset Forward)(4)

<center><img src="http://mouser.eetrend.com/files/2020-06/wen_zhang_/100049807-99450-15.j…; alt=“” width="600"></center>

谐振复位正激变换器(Resonant Reset Forward)(5)

<center><img src="http://mouser.eetrend.com/files/2020-06/wen_zhang_/100049807-99451-16.j…; alt=“” width="600"></center>

谐振复位正激变换器(Resonant Reset Forward)特征

<center><img src="http://mouser.eetrend.com/files/2020-06/wen_zhang_/100049807-99452-17.j…; alt=“” width="600"></center>

有源钳位正激变换器(Active Clamped Forward)(1)

<center><img src="http://mouser.eetrend.com/files/2020-06/wen_zhang_/100049807-99453-18.j…; alt=“” width="600"></center>

有源钳位正激变换器(Active Clamped Forward)(2)

<center><img src="http://mouser.eetrend.com/files/2020-06/wen_zhang_/100049807-99454-19.j…; alt=“” width="600"></center>

有源钳位正激变换器(Active Clamped Forward)(3)

<center><img src="http://mouser.eetrend.com/files/2020-06/wen_zhang_/100049807-99455-20.j…; alt=“” width="600"></center>

有源钳位正激变换器(Active Clamped Forward)(4)

<center><img src="http://mouser.eetrend.com/files/2020-06/wen_zhang_/100049807-99457-21.j…; alt=“” width="600"></center>

有源钳位正激变换器(Active Clamped Forward)(5)

<center><img src="http://mouser.eetrend.com/files/2020-06/wen_zhang_/100049807-99458-22.j…; alt=“” width="600"></center>

有源钳位正激变换器(Active Clamped Forward)(6)

<center><img src="http://mouser.eetrend.com/files/2020-06/wen_zhang_/100049807-99459-23.j…; alt=“” width="600"></center>

有源钳位正激变换器(Active Clamped Forward)(7)

<center><img src="http://mouser.eetrend.com/files/2020-06/wen_zhang_/100049807-99460-24.j…; alt=“” width="600"></center>

有源钳位正激变换器(Active Clamped Forward)(8)

<center><img src="http://mouser.eetrend.com/files/2020-06/wen_zhang_/100049807-99461-25.j…; alt=“” width="600"></center>

有源钳位正激变换器(Active Clamped Forward)(9)

<center><img src="http://mouser.eetrend.com/files/2020-06/wen_zhang_/100049807-99462-26.p…; alt=“” width="600"></center>

有源钳位正激变换器(Active Clamped Forward)(10)

<center><img src="http://mouser.eetrend.com/files/2020-06/wen_zhang_/100049807-99463-27.j…; alt=“” width="600"></center>

桥式变换器(Bridge Type Converter)

<center><img src="http://mouser.eetrend.com/files/2020-06/wen_zhang_/100049807-99464-28.j…; alt=“” width="600"></center>

桥式变换器(Bridge Type Converter)(1)

<center><img src="http://mouser.eetrend.com/files/2020-06/wen_zhang_/100049807-99465-29.j…; alt=“” width="600"></center>

桥式变换器(Bridge Type Converter)(2)

<center><img src="http://mouser.eetrend.com/files/2020-06/wen_zhang_/100049807-99466-30.j…; alt=“” width="600"></center>

桥式变换器(Bridge Type Converter)(3)

<center><img src="http://mouser.eetrend.com/files/2020-06/wen_zhang_/100049807-99467-31.j…; alt=“” width="600"></center>

桥式变换器(Bridge Type Converter)(4)

<center><img src="http://mouser.eetrend.com/files/2020-06/wen_zhang_/100049807-99468-32.j…; alt=“” width="600"></center>

桥式变换器(Bridge Type Converter)(5)

<center><img src="http://mouser.eetrend.com/files/2020-06/wen_zhang_/100049807-99469-33.j…; alt=“” width="600"></center>

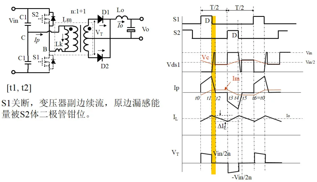
桥式变换器(Bridge Type Converter)(6)

<center><img src="http://mouser.eetrend.com/files/2020-06/wen_zhang_/100049807-99470-34.j…; alt=“” width="600"></center>

桥式变换器(Bridge Type Converter)(7)

<center><img src="http://mouser.eetrend.com/files/2020-06/wen_zhang_/100049807-99471-35.j…; alt=“” width="600"></center>

几种隔离式变换器之比较

<center><img src="http://mouser.eetrend.com/files/2020-06/wen_zhang_/100049807-99472-36.j…; alt=“” width="600"></center>

本文转载自:电源研发精英圈
免责声明:本文为转载文章,转载此文目的在于传递更多信息,版权归原作者所有。本文所用视频、图片、文字如涉及作品版权问题,请联系小编进行处理。

<strong><a href="http://www.mouser.cn/applications/&quot; style="color:red;">点击这里,获取更多关于应用和技术的有关信息</a></strong>
<strong><a href="https://www.mouser.cn/blog&quot; style="color:red;">点击这里,获取更多工程师博客的有关信息</a></strong>