大联大控股宣布,其旗下诠鼎推出基于东芝(Toshiba)TB9062FNG的三相无刷无传感器预驱动IC的家用抽烟机方案。

图示1-大联大诠鼎基于Toshiba产品的家用抽烟机方案的展示板图
抽油烟机是煮饭时最重要的工具,它可以带走煎炸烹炒时产生的大量厨房油烟,从而避免人们吸入油烟中的致癌物。当前阶段,随着技术的不断改进,人们对抽油烟机提出了更高的要求,包括噪声小、变频省电以及抽风效率高等需求。而若想实现这些需求,一款高性能的电机必不可少。由大联大诠鼎推出的厨房抽油烟机方案采用Toshiba TB9062FNG的三相无刷无传感器预驱动IC,可以帮助产品实现优异的性能。

图示2-大联大诠鼎基于Toshiba产品的家用抽烟机方案的方块图
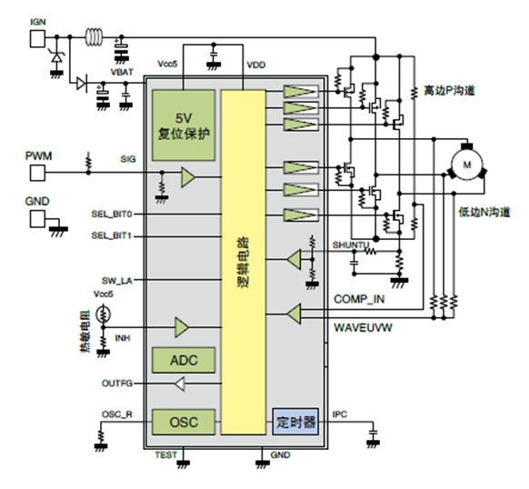
TB9062FNG是个三相无刷无传感器预驱动IC,其可以在不使用微控制器和霍尔传感器的情况下控制电机转速及扭力,这可以减少MCU开发时的工作量。此外,由于产品省去了霍尔元器件,因此不仅有助于缩小MCU板的尺寸,也提升了整体的BOM Cost down的优势,并且这些优势相较传统式电机控制所需要的ECU与霍尔元件来的更加显著。

图示3-大联大诠鼎代理的东芝TB9062FNG三相无刷无传感器预驱动IC方块图
核心技术优势:
三相无刷无传感器预驱动IC
外部MOSFET配置且无电荷泵电路,使线路更简单,也更节省PCB周边零件
相对应于PWM输入控制
通过抑制输出占空比突然变化来防止电机失步功能
通过逻辑控制改善启动性能
各种内置的异常检测功能(过温、过电压、过电流)
方案规格:
120度方波驱动无传感器运行
电机速度由外部PWM输入信号控制
用于外部Pch / Nch MOSFET的预驱动器(通过6个预驱动器输出信号进行三相驱动)
可选的导程角设置
内置8位ADC,可检测过压/欠压
内置1ch比较器,用于检测Back-EMF零交叉点,以检测电动机位置
自动启动占空比控制,以保持启动扭矩
异常检测(电动机过电流,过电压,欠电压,IC过热)
内置内部4 MHz OSC(外部R =39kΩ时)
内置5V稳压器,具有上电复位功能
工作温度:-40至125℃
小型扁平封装SSOP-24pin(0.65毫米间距)
如有任何疑问,请登陆【大大通】进行提问,超过七百位技术专家在线实时为您解答。欢迎关注大联大官方微博(@大联大)及大联大微信平台:(公众账号中搜索“大联大”或微信号wpg_holdings加关注)。
关于大联大控股:
大联大控股是全球第一、亚太区最大的半导体元器件分销商*,总部位于台北(TSE:3702),旗下拥有世平、品佳、诠鼎及友尚,员工人数约5,000人,代理产品供货商超250家,全球约100个分销据点,2020年营业额达206.5亿美金。大联大开创产业控股平台,专注于国际化营运规模与在地化弹性,长期深耕亚太市场,以「产业首选.通路标杆」为愿景,全面推行「团队、诚信、专业、效能」之核心价值观,连续20年蝉联「全球分销商卓越表现奖」肯定。面临新制造趋势,大联大致力转型成数据驱动(Data-Driven)企业,建置在线数字化平台─「大大网」,并倡导智能物流服务(LaaS, Logistics as a Service)模式,协助客户共同面对智能制造的挑战。大联大从善念出发、以科技建立信任,期望与产业「拉邦结派」共建大竞合之生态系,并以「专注客户、科技赋能、协同生态、共创时代」十六字心法,积极推动数字化转型。 (*市场排名依Gartner公布数据)









