纳芯微单通道隔离式栅极驱动器两款新品NSi66x1A和NSi6601M双双发布,均适用于驱动SiC,IGBT和MOSFET等功率管,兼具车规(满足AEC-Q100标准)和工规两种等级,广泛适用于新能源汽车、空调、电源、光伏等应用场景。
NSi66x1A--带保护功能的智能隔离单管驱动(NSI6611A/NSI6651A)

产品特性
超强驱动能力,可以提供最大10A的拉灌电流能力,支持轨到轨输出和分离输出
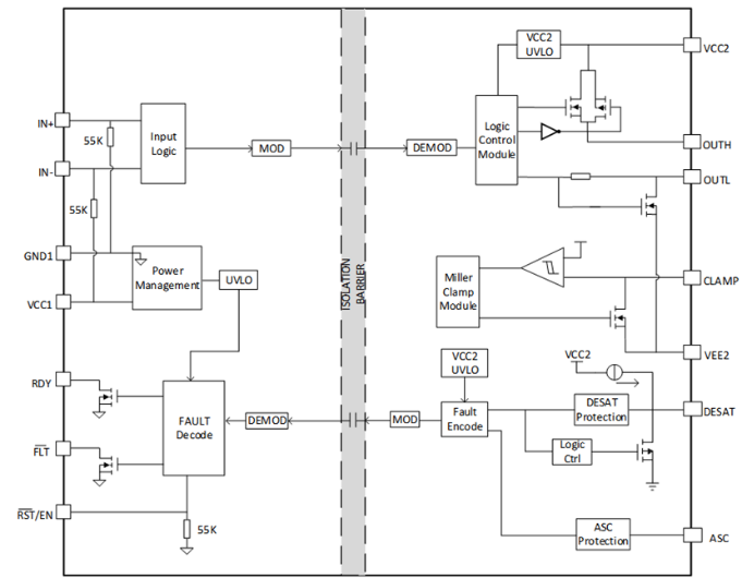
完善的保护功能:DESAT短路保护、故障软关断、弥勒钳位、欠压保护;短路故障或欠压发生时,还能通过单独的引脚报告进行反馈
输入与输出端均采用双电容增强隔离技术,外加纳芯微Adaptive OOK编码技术,最小共模瞬变抗扰度(CMTI)高达150kV/μs,提高了系统的鲁棒性
驱动器侧电源电压VCC2最大为32V,输入侧VCC1为3V至5.5V电源电压供电;VCC1和VCC2都具有欠压保护(UVLO)
极低的传输延时,低至80ns
NSi6611支持ASC特色的功能,可在紧急情况下强制输出为高
工作环境温度:-40℃ ~ 125℃
符合 RoHS 标准的封装类型:SOW16

功能框图
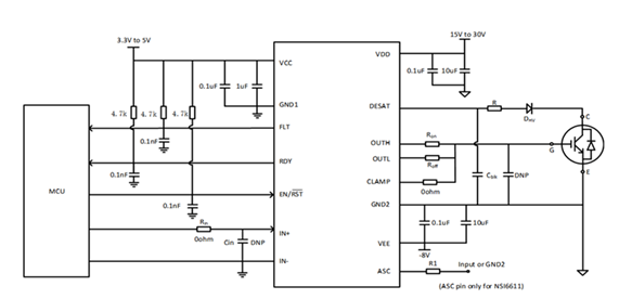
NSi66x1A 超强驱动能力,有效节约外围电路
在大功率的应用中,用户一般会选择如IGBT和SiC这样的大功率管子,因而功率管的Qg也会更大,对产品驱动电流能力的要求变得更高了。
NSi66x1A能够提供最大10A的拉罐电流能力,比起传统方案,不需要额外的Buffer 电路,即可直接驱动大功率的管子。节省了Buffer电路的费用和PCB的体积,同时还不需要额外的电路做匹配,增加了系统的稳定性。此外,NSi66x1A内部集成弥勒钳位,支持分离输出,使用简单,外围器件更少,凸显性价比。

使用NSi66x1A方案应用电路图

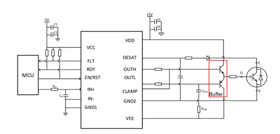
大功率应用中传统方案驱动电路图
NSi6611A 支持ASC功能
什么是ASC?
ASC即主动短路(Active short circuit,简称ASC),是电机系统的一种安全保护机制,是将电机的UVW三相短路(通过å对功率管的开关,实现上三桥臂短路或下三桥臂短路)。
NSi6611A支持ASC功能,可以在电机处于转速过高,或者突然发生制动等其他异常时,通过三相短路的方式,让电机内耗电流,降低电机产生的反电动势,使其不超过高压电池提供的母线电压,确保动力电池、母线电容及其它高压器件不被损坏,从而保护电机和电气系统。
NSi6611A pin1 引脚便是ASC 功能。如下ASC时序图可以看到,即使在input是低电平,或者VCC1欠压情况下,当pin1引脚电平是高电平时,ASC功能就会使能,OUT会强制输出为高,打开功率管。当然,如果用户不需要ASC 功能,则可以将NSi6611A pin1 引脚悬空,或者下拉到GND2。

NSi6611A ASC 时序图
案例详解
为了实现系统的ASC功能,UVW三相下桥臂的管子驱动IC可以使用三颗NSi6611A,将其pin1 连接到一起,连接点命名为"ASC Trigger",默认该点电压是低电平。当系统检测到故障时,如母线电压过高时,外部触发信号使"ASC Trigger"为高电平,这时三颗NSi6611会强制打开 UVW三相下桥臂的管子,实现电机下三桥臂短路,实现ASC功能。NSi6611A被外部触发"ASC Trigger"为高电平到芯片OUT 强制输出为高,时间为0.66us (tASC_r), 响应迅速,及时保护系统。
NSi6601M--带弥勒钳位功能的高可靠性隔离单管驱动

产品特性
具有很强的驱动能力,可提供5A/5A的拉灌电流峰值电流
集成弥勒钳位功能,钳位电流高达5A,有效抑制因为弥勒效应致使管子误开通,确保了系统的可靠性
超高的共模抗扰能力:150 kV/us
驱动器侧电源电压VCC2最大为32V,输入侧VCC1为3.1V至17V电源电压供电;VCC1和VCC2都具有欠压保护(UVLO)
符合 RoHS 标准的封装类型:SOP8,SOW8
工作环境温度:-40℃ ~ 125℃
符合 RoHS 标准的封装类型:SOW16

功能框图
NSI6601M:有效解决高压高频系统中高DV/DT
随着第三代半导体SiC MOSFET的兴起,更高压、更高频、更小体积、更大功率的系统正成为新的发展趋势。然而在高压高频的应用中系统在运行过程中却总是容易因为dv/dt过高,导致功率管子被烧坏。NSi6601M则能很好解决这一问题。
案例详解
使用下图的电路作为例子说明。系统在开关的过程中,SW产生的dv/dt 通过弥勒电容Cgd,会导致gate产生电压,如果这个电压高于管子的开通电压,会导致管子误开通,会造成上下管短路,烧毁管子。
NSi66001MC集成弥勒钳位功能,NSi6601M可以检测到gate电压的变化,当gate产生的电压高压2V时,NSi6601M内部弥勒钳位功能将被开启,将dv/dt 通过Cgd产生的电流以最小阻抗路径释放到VEE,在gate电压钳位到足够低的电压,防止下管Q2误开通。

简化应用电路图
NSi6601M隔离耐压高,宽体SOW8封装Vpk 高达2121V,同时CMTI抗干扰能力超过150kv/us,非常适合高频、高压、高可靠性的应用场景,符合电源行业发展的趋势。
免费送样
NSi66x1A/NSi6601M系列产品均可提供样品,如需申请样片或订购可邮件至sales@novosns.com或拨打0512-62601802,更多信息敬请访问www.novosns.com。
关于纳芯微
纳芯微电子(NOVOSENSE)是国内高性能高可靠性模拟及混合信号芯片设计公司,聚焦感知、驱动、系统互联方向,提供传感器、信号链、隔离与接口、功率驱动、电源管理等丰富的半导体产品及解决方案,并被广泛应用于汽车、工业控制、信息通讯及消费电子领域。
公司以『“感知”驱动“未来”,构建万物互联的“芯”世界』为使命,致力于为数字世界和现实世界的连接提供芯片级解决方案。
了解详情及样品申请,请访问公司官网:www.novosns.com