第二次工业革命,将人们从农业时代推送到了电气时代,在人们不断发明创造的今天,已经实现了很多产品的自动化,这些都是离不开电机的。电机其实也是分好多种。比如,直流电机、交流电机、有刷电机、无刷电机和步进电机等等,这些电机在我们的生活中随处可见。
那么电机是怎么运行的呢?其实电机大部分是需要采用驱动电路才能实现人们想要的工作状态。这些驱动电路一般会分为两种,一种是利用分立器件搭建而实现的,又被称为分立电路驱动,这种方案成本低廉,但是会占用较大电路板面积,并且驱动效率低。另一种是采用集成电路方式实现电机的驱动,这种芯片的优势是板载面积较小,效率高,深受电子工程师们的喜爱。
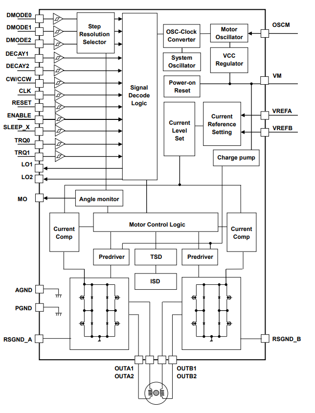
东芝半导体本着为客户降成本,对产品精益求精的态度,对步进电机驱动IC进行了电路结构的整合升级,研发出了无需电流采样电阻,无外置电荷泵电容的DMOSFET步进驱动IC——TB67S539FTG,最大限度地降低外围器件数量,给电子工程师们多一种方案的选择。

一. 电气特性分析
东芝TB67S539FTG恒流2相双极步进电机驱动IC采用BiCD工艺制造,采用QFN32封装,可以使用ACDS实现PWM恒流控制。其额定电压为40V,输出电流为2A,具有热关断(TSD),过流检测,欠压锁定(UVLO)和错误检测(TSD/ISD)标志输出的功能。
具体参数如下:
采用Advanced Current Detect System(ACDS)实现PWM恒流控制,无需外部电流采样电阻。
高级动态混合衰减(ADMD)实现了高效的PWM恒流控制。
时钟输入控制。
可以以全步、半步、1/4、1/8、1/16和1/32步分辨率运行。
BiCD工艺:使用DMOSFET作为输出功率晶体管。
高耐压大电流驱动:40V/2.0A(绝对最大额定值)。
内置热关断(TSD)、过流检测(ISD)和欠压锁定(UVLO)等状态检测。
减少了电荷泵的外部组件。
封装:QFN32(5mm×5mm)。
工作温度环境:-40℃-85℃。
注:在使用期间,请注意散热条件。

二.功能特性分析
01. 采用东芝新型无外置电荷泵电容的DMOSFET器件性能优越,其省略了电流采样电阻,最大限度地降低外围器件数量,同时可以降低用户的PCB面积成本。
02. TB67S539FTG推荐工作电压范围为4.5V-34V,可以同时满足24V和12V的主流驱动产品的电源要求。
03. 采用QFN32封装,驱动MOSFET低导通电阻(高边+低边典型值0.8欧姆),能够有效降低发热,同时能降低一些功耗。
04. 采用高级动态混合衰减(ADMD)实现了高效的PWM恒流控制,可以防止步进电机在高速运转的状态下出现丢步的现象。
05. TB67S539FTG具有错误检测功能,当驱动芯片检测到发生热关断(TSD)、过流(ISD)时就会触发错误检测标识输出功能,从而LO引脚将低电平输出到外围模块,实现快速处理故障操作。

三. 应用场景
TB67S539FTG因其优异的驱动性能和极少的外围器件可被广泛应用于办公自动化设备,商业及工业设备,包括机器人,扫描仪,打印机;家用电器中的电风扇,空调,电动窗帘和电动百叶窗等等。
文章来源:东芝半导体









