继车规级双模智能表面单芯片SOC TCAE11 和TCAE31 之后,上海泰矽微又有4款产品于近期通过AEC-Q100 可靠性验证,这四款产品分别为用于多种传感器的高集成度信号链SoC TCA025 和通用MCU 产品TC01E,以及4通道和6通道IO 缓冲器TCIB04 和TCIB06。


随着汽车智能化和电动化发展,用于汽车的传感器类型和数量都有显著增加, 上海泰矽微MCU+家族新成员车规级信号链MCU产品TCA025就是响应市场这一趋势开发的一款多功能高集成度单芯片方案。
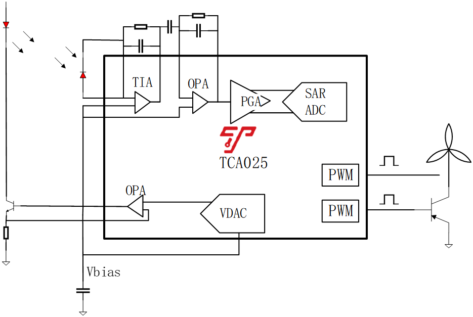
TCA025 集成ARM Cortex M0 低功耗内核,片上除了集成64 KB eFlash 和8KB SRAM, 以及标准的SPI, UART, I2C, LIN 通信接口外,针对传感器应用开发了以下特色外设:
高性能模拟外设:
高性能TIA跨阻放大器;Ib=50pA;Vos=3mV;可将微弱电流信号转换为电压信号, 用于多种光电信号转换和电化学的催化还原微弱电流检测
2个OPA 和2个比较器, 可以用于检测信号的高阶模拟滤波和信号比较
2级 PGA 和14bit SARADC用于宽动态信号放大和数字化,实现高精度的信号检测和处理, 同时可用于系统电压电流等状态的监控
VDAC 和IDAC 输出,用于参考电压或参考电流信号的产生和动态调节
9路PWM 脉宽调制输出,可以用于控制风扇,步进电机, LED 调光等执行机构
低功耗:
多种低功耗模式,Idle;Standby;Hibernate;Shutdown
Deep Sleep功耗<1uA
支持TinyWork®工作模式,uA级平均工作电流,可以在传感器持续采样的过程中维持低功耗。
硬件加密:
TCA025 同时也支持AES-128 和SHA-256 硬件加密
得益于TCA025 的多种特色外设,可以灵活运用来实现多种类型的传感器产品。 相比较于传统的分立MCU + 模拟前端的方案, TCA025 在体积,灵活性,成本方面可以做到优化,是车规级传感器的理想解决方案, 可以支持的传感器类型不限于以下几种:
1.基于光电原理的传感器如PM2.5 等
PM2.5 颗粒物检测

2.惠斯通电桥
用于各种基于惠斯通电桥的压力,位移,位置检测等

3.电化学传感器
可以用于基于电化学的CO,NOX,VOC等有害气体检测

4.热电堆传感器如CO₂检测等

车规级MCU 近年来一直处于供应紧张状态,泰矽微另一款TC01E为通用MCU 产品为解决这一行业难题而生。TC01E可以作为通用产品广泛应用于汽车车灯,车门,尾门,车窗,天窗,后视镜,雨刷等不需要高算力的远端节点的控制。
TC01E产品特性
Cotex M0处理器@max 48Mhz
64KBytes Flash,8KBytes SRAM
Deep Sleep功耗<1uA
支持TinyWork®工作模式,uA级平均工作电流
2个高性能OPA, 1MHZ 带宽
2个比较器,1 MHz 带宽
3个16位高级定时器支持互补PWM 脉宽调制输出
支持AES128/256;SHA-1/2;TRNG等加密模块
内置温度传感器,精度±2°C
多种低功耗模式,Idle;Standby;Hibernate;Shutdown
AEC-Q100 Grade2
SPI,I2C, UART 等串口
支持LIN 通讯接口
26 GPIO
供电电压范围:2.4V-3.6V
工作温度-40-105°C
QFN-32 封装
泰矽微另外两款车规级产品TCIB04 和TCIB06 为4路和6路大电流IO 缓冲器。 随着MCU 工艺向更高阶工艺发展,晶圆光罩成本显著增加,为了减小晶片面积降低成本,先进工艺MCU 在IO 驱动能力上明显下降,但有些应用场景需要IO 口有更高的驱动能力, TCIB04 和TCIB06 具备高达24mA 的IO 扇出能力,是需要大电流驱动能力应用场景的很好的补充。
关于泰矽微
上海泰矽微电子有限公司2019年成立于上海张江,专注于各类高性能芯片的研发,经过3年多的飞速发展,公司已形成覆盖汽车,医疗,工业及消费等多个领域的产品矩阵,并在相关芯片领域斩获众多奖项。公司分别于2021年5月和2022年12月分别通过ISO9001质量体系认证和ISO 26262流程认证,不断提升公司在产品、流程和质量等方面的管理水准,为客户提供高品质、高可靠性的芯片产品。公司聚集了一批顶尖的半导体专家,具有各类系统级复杂芯片的研发能力,所开发的芯片累计出货达数十亿颗。泰矽微致力于发展成为平台型芯片企业,目前已在信号链、电源管理、电池管理、人机交互等方向积累了大量核心技术和相关芯片产品。
来源:泰矽微
免责声明:本文为转载文章,转载此文目的在于传递更多信息,版权归原作者所有。本文所用视频、图片、文字如涉及作品版权问题,请联系小编进行处理(联系邮箱:cathy@eetrend.com)。