为防止ESD(静电放电)导致电子设备失灵或故障,需要采取适当的防静电措施。对于线路应用,通常采用直接贴装元件,如果未选择合适的防静电配件,正常运行期间的线路信号会受到干扰,其中包括各种具有高速和差分信号的通信线路,比如车载通信CAN(控制器局域网)、车载以太网等。静电放电通常会对上述线路造成巨大影响,不仅可能导致通信质量变差,严重时还会影响EMC性能。
本文介绍了不合适的防静电元件会降低EMC性能的实际案例以及TDK的解决方案。
引言 - ESD预防措施以及对EMC性能的影响
ESD(静电放电)会导致电子设备失灵或故障,因此需要采取合适的防静电措施。通常使用压敏电阻等防静电元件来预防静电,且将元件安装在被保护的目标线路,比如集成电路(IC)和地线 (GND) 之间,如图1所示。ESD保护元件旨在当施加ESD等高电压时将其转换为低电阻形式并有效地将ESD引向GND,从而保护保护 IC 或类似线路。鉴于线路上通常直接贴装元件,若ESD保护元件选择不当,即使正常运行期间的线路信号也会受到影响,其中包括各种具有高速和差分信号的通信线路,比如车载通信CAN(控制器局域网)、车载以太网等。静电放电通常会对上述线路造成巨大影响,不仅可能导致通信质量变差,严重时还会影响EMC性能。

图1:使用ESD保护元件时的线路示例
实际案例
如前文所述,使用不合适的ESD保护元件会降低信号质量和EMC性能。尤其是在如图2所示的差分信号线路中,高电平和低电平侧都使用了ESD 保护元件。此时,各自线路中使用的ESD 保护元件的静电容量差会降低每条线路间的阻抗对称性,并降低模式转换特性。此外,模式转换特性变差又可能降低EMC性能。
下文基于实际评估数据,介绍了ESD 保护元件对混合模式 S 参数与CAN通信传导EMI试验(150Ω方法)的影响。

图2:差分信号线路中ESD保护元件的安装位置以及线路间的电容差
模式转换特性 (Ssd12)
图3为实际测量模式转换特性 (Ssd12) 后的评估结果。这里的模式转换特性并非通常情况下的4端口测量系统,而是如图4所示的3端口模式转换特性评估系统。与4端口相同,3端口也能用来评估模式转换特性。其中纵轴表示模式转换特性 (Ssd12),横轴表示频率。图中数据是ESD 保护元件线路之间的静电容量差。Ssd12的数值越大,特性越差;即数值越大,就有越多的噪声(共模)转换为通信信号成分(差模),反之亦然。(详见附录)
由图可知,ESD 保护元件线路间的静电容量 (ΔC) 越大,Ssd12就越差。
作为参考,图中还标出了CAN的共模扼流线圈(CMC)标准IEC62228-3中的Ssd12限制线。当ΔC≥2.7pF时,将无法满足Class Ⅰ标准线的要求。
由此可知,ΔC越大,实际的模式转换特性越差。

图3:模式转换特性 (Ssd12)

图4:3端口测量的评估线路
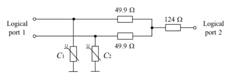
传导EMI试验(150Ω方法)
接下来我们将介绍传导EMI试验(150Ω方法)的结果。在该示例试验中,ESD 保护元件影响模式转换特性后,EMC的实际性能也降低了。
传导EMI试验是一种通过EMI测试接收器直接测量信号线上传导噪声的试验。在本测试中,评估板使用CAN,评估线路如图5(传导EMI试验的评估线路图)。
评估ESD 保护元件时,需要使用通用CAN压敏电阻和TDK的CAN二合一的阵列压敏电阻(AVRH16A2C270KT200NA8)。该AVRH16A2C270KT200NA8采用两个单线压敏电阻合二为一的封装形式,仅单个贴片压敏电阻就能保护一对差分信号线。二合一形式具有能控制线路间容量差等优点,就结果来看,比单线用压敏电阻具有更好的模式转换特性。

图5:传导EMI试验评估线路
实际评估结果如图6所示。
纵轴表示噪音程度,横轴表示频率。橙色数据表示线路间的静电容量差为13pF(ΔC=13pF),此时单个压敏电阻中的目录规格值最差;蓝色数据表示,AVRH16A2C270KT200NA8即使在最大容差情况下,线路间的容差值为1pF(ΔC=1pF)作为参考,图中还标出了IEC61967-4中Class Ⅲ的标准线。
单个压敏电阻从低频越过标准线到达高频,而阵列型压敏电阻则保持在标准线以内。总体而言,阵列型变阻器的噪声被控制在较小水平。
因此,当压敏电阻不工作时,较差的模式转换特性可能会降低稳态条件下的EMC特性。

图6:传导EMI试验结果(单片压敏电阻和阵列型贴片压敏电阻AVRH系列)
结论 - 选择合适的ESD保护元件(贴片压敏电阻)具有重要意义
本文介绍了不合适的ESD保护元件会影响模式转换特性,并且也通过EMC实验证实了这一现象。
试验发现,ESD保护元件能预防静电,但若选型不对,将对EMC性能造成不良影响。尤其是近年来,车载通信线路的模式转换特性备受重视,ESD保护元件也应具有良好的模式转换特性。
TDK车载通信压敏电阻在设计上不仅考虑了ESD特性,还考虑了模式转换特性。因此与一般的压敏电阻相比,使用过程中对EMC性能的降低作用也较小。
若对ESD保护元件若有任何疑问,欢迎随时咨询。
点击下表中的型号可查看产品详情。
表1:针对CAN FD的AVRH16A2C270KT200NA8规格表

表2:针对车载Ethernet的贴片压敏电阻规格表

文章来源:TDK









