问:电源设计中,较常见的非隔离拓扑有哪些
在设计电源时,首先要回答的问题是「是否需要电流隔离?」使用电流隔离可以使电路更安全,抗干扰能力较强,容易实现升降压转换,及较易实现多路输出和很宽的输入电压范围。两种最常见隔离电源的拓扑形式是「反激」和「正向」。但是为了获得更高的功率输出,可以使用其他隔离拓扑如「推挽」、「半桥」和「全桥」。实际上,如果不需要电流隔离,工程师会尽量使用非隔离电源,因为隔离的拓扑形式总是需要变压器或额外的线路,而且这种设备往往会增加成本和体积较大,通常很难满足定制电源的需求。
较常见的非隔离拓扑
最常见非隔离式开关电源的拓扑结构是降压转换器。它将正输入电压转换为低于输入电压的输出电压。其结构简单,只需要两个开关、一个电感器和两个电容器,如图 1 所示。高侧开关从输入端产生脉冲电流并产生一个开关节点电压,该电压在输入电压和地之间来回震荡。之后,使用LC 滤波器产生直流输出电压。根据控制高端开关PWM信号的占空比,产生不同电平的直流输出电压。这种 DC-DC 降压转换器非常省电,设计亦相对简单,并且需要的元器件很少。图 1. 降压转换器的概览图 ( 图片来源 : ADI)设计低噪声系统时要留意,降压转换器在输入侧产生脉冲电流,而输出侧有来自电感器的连续电流。这就是降压稳压器在输入端噪声很大而在输出端噪声不大的原因。除了降压外,另一种常见拓扑是升压。它的拓扑结构由五个基本功率元件组成,与降压转换器的拓扑有点不同,如图 2所示。图 2. 升压转换器的概览图 ( 图片来源 : ADI)选择升压转换器时,需要留意数据表上较普遍列出最大额定开关电流而不是最大输出电流。在降压转换器中,最大开关电流与可实现的最大输出电流直接相关,但与输入电压和输出电压之间的电压比无关。在升压稳压器中,电压比是根据固定的最大开关电流而直接影响可能的最大输出电流。所以在选择合适的升压稳压器时,工程师不仅需要了解所需的输出电流,还需要了解系统需要的输入和输出电压。升压转换器的输入端噪声非常低,因为与输入端连接的电感可防止电流快速变化。然而,输出端噪声较大,因为LC滤波器位于输入端,我们会看到脉冲电流流向外部开关,造成输出纹波。因此与降压拓扑相比,输出纹波更受关注。第三种常见拓扑是反相降压-升压转换器,由这五个元件组成。该名称源于该转换器采用正输入电压并将其转换为负输出电压的事实。除此之外,输入电压可能大于或少于反相输出电压的绝对值。例如,输入端的 5V 或 24V 可能会产生 -12V输出电压。这是可行而无需进行任何特殊的电路修改,如下图 3所示。图 3. 反相降压 - 升压转换器 的概览图 ( 图片来源 : ADI)在反相降压-升压拓扑中,电感从开关节点连接到地。转换器的输入端和输出端都看到脉冲电流,输出电流是不连续的,使反相降压/升压转换器的输出电压往往噪声较大,所以在低噪声应用中,可以通过增加额外的输入和输出滤波来补偿。
反相降压-升压拓扑在电源设计中有一个好处,就是任何降压稳压器均可应用此拓扑。如 ADI 的 ADP2441 或 ADP2442 ,为了将降压稳压器转换为反相降压-升压拓扑结构,电感和输出电容应以与降压拓扑结构相似的方式连接,如图4所示。
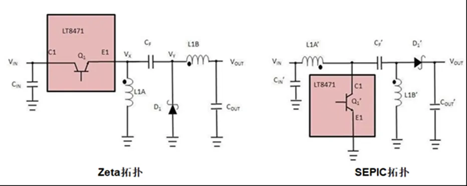
图 4. ADP2441/ADP2442 实现的反相降压 - 升压拓扑结构 (图片来源 : ADI)除了以上三种常见非隔离开关电源拓扑之外,还有更多的拓扑如SEPIC、Zeta、Ćuk 和 4 开关降压-升压。相比以上三种开关电源拓扑而,这些拓扑结构都需要额外置多一些有电源组件,会增加产品成本,功率转换效率亦会降低。一般而言,在电路中添加额外元器件会增加损耗。以下简单列出这四款不同拓扑的一些最重要功能。单端初级电感转换器(SEPIC)允许输出电压大于或小于输入电压的电压转换,输出电压由主控开关(三极管或MOS管)的占空比控制。升压稳压器升压稳压器 IC 可用于设计 SEPIC 电源电路。要留意,这种拓扑在电路中需要添多额外元件(电感和电容),如图 7所示.Zeta转换器与SEPIC转换器类似,如 LT8471 Zeta 和 SEPIC 拓扑的简化原理图 (图 5) 所示,都需要两个电感(L1A和、两L1B)、两个开关(Q1 和 D1 )和一个电容器(CF)。Zeta转换器能够产生正或负输出电压,此外,它没有右半平面零 (RHPZ) 问题存在,从而简化了调节回路。含有右半平面零点(RHPZ)的开关DC-DC变换器发生占空比突变时,暂态过程会出现负调现象,该现象会导致系统暂态性能变差,负调持续时间段系统易形成正反馈而出现不稳定现象,传统的频域法无法直接进行控制器设计,因此对其进行控制较最小相位系统困难的多。图 5. Zeta 和 SEPIC 拓扑结构 ( 图片来源 : ADI)
Ćuk转换器可将正输入电压转换为负输出电压。它使用两个电感器,一个在输入侧,一个在输出侧,因此输入和输出侧的噪声非常低,可是,支持这种拓扑结构的开关电源转换器的器件并不多,因为调节环路需要一个负电压反馈引脚。如 ADI 的 LT8331,它需要在输入和输出之间使用两个电感器和一个耦合电容器 (C5)。耦合或阻塞电容器从电路的输入侧接收能量并将其传输到电路的输出侧。在稳态条件下(即上电后),该电容器两端的电压是恒定的,大约等于 VIN,如图6所示。

图 6. LT8331 实现的 Ćuk 拓扑结构 ( 图片来源 : ADI)这种类型的转换器近年来变得非常流行。四开关降压-升压从正输入电压中提供正输出电压,该 输入电压可能高于或低于调整后的输出电压。这类型的转换器能够提供更高的电源转换效率并且只需要一个电感器,所以该转换器可以取代了 SEPIC 的设计。如 ADI 的 LT8705 ,它是一款同步四开关降压-升压控制器,运用输入和输出侧各两个开关,使用稳健的同步开关拓扑结构,以高效率为恒压或恒流应用提供高功率输出。如图7所示。图 7. LT8705 实现的四开关降压 - 升压拓扑结构 ( 图片来源 : ADI)
本文转载自:得捷电子DigiKey