为了提供单片机内存数据传输效率,众多单片机都支持 DMA(Direct Memory Access)传输。
但是,还有另外一种可以提高内存传输效率的功能较TCM。今天就结合瑞萨RA8单片机给大家讲讲TCM的优点及应用。
关于TCM
TCM:Tightly-Coupled Memory,紧耦合内存,是通过专用的接口直接连接到处理器的存储器区域,它提供单周期访问,避免其他存储器可能存在的仲裁延时和延迟。
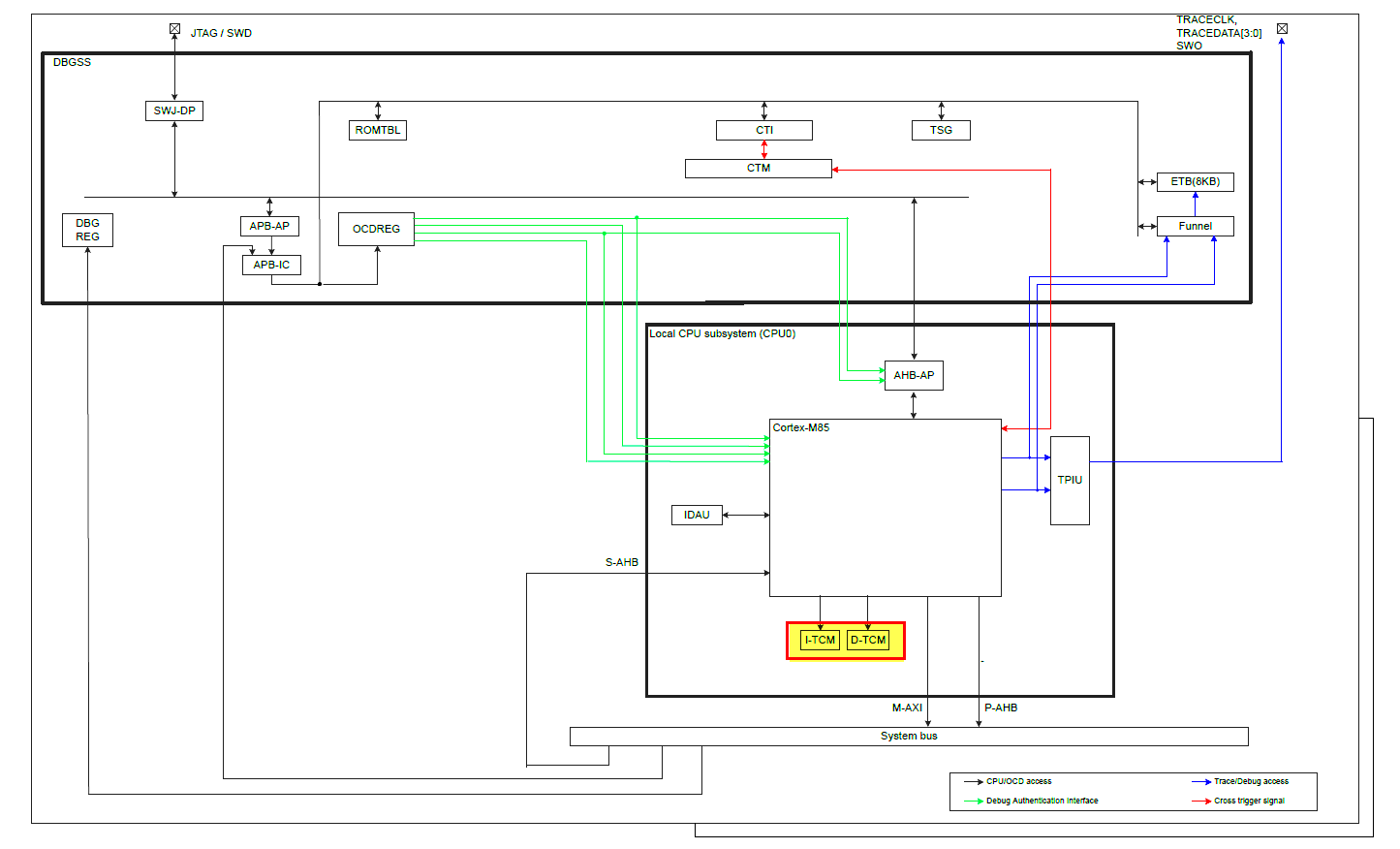
RA8单片机 Cortex-M85内核有2种TCM类型:Instruction TCM (ITCM) 指令TCM和Data TCM (DTCM) 数据TCM。
RA8x1有64KB ITCM和64KB DTCM。
ECC保护(代码生成和纠正逻辑)。
RA8x1支持ITCM和DTCM ECC功能,可以通过OFS2.INITECCEN设置来启用和禁用。

RA8x1 CPU方框图
TCM具有以下优点:
低延迟访问:TCM与处理器核心之间的直接连接消除了访问延迟,使得数据和指令能够更快速地被处理器访问,从而提高了系统的响应速度。
高带宽:TCM通常具有更高的带宽,可以支持处理器对数据和指令的高速读写,提升了系统的整体性能。
节省功耗:由于TCM与处理器核心直接连接,不需要通过总线进行数据传输,因此可以降低功耗。此外,由于访问延迟较低,处理器可以更快地完成任务并进入休眠模式,进一步降低功耗。
提高实时性能:对于需要实时响应的应用程序,TCM的低延迟和高带宽特性使得处理器能够更快地访问关键数据和指令,从而提高了系统的实时性能。
增强安全性:TCM可以用于存储敏感数据和关键代码,通过与处理器核心的紧密耦合,可以降低数据泄露和恶意攻击的风险,提高系统的安全性。
减少对外部存储器的依赖:TCM可以用于存储频繁访问的数据和指令,减少了对外部存储器的访问次数,降低了总体的访问延迟和功耗。这对于一些资源有限的嵌入式系统尤为重要。
增强可靠性:TCM的直接连接和高速访问特性可以提高系统的可靠性,减少因外部存储器或总线故障而导致的系统性能下降或故障。
因此,TCM适用于许多不同的应用和场景,特别是对于需要高性能、低延迟和实时响应的应用,其优势更加突出。以下是一些适合使用TCM的应用和场景:
实时控制系统:对于需要快速响应的实时控制系统,如工业机器人、航空航天控制系统、医疗设备等,TCM可以提供所需的低延迟和高带宽,确保系统能够及时、准确地响应各种控制指令。
信号处理应用:TCM对于需要大量数据处理和信号处理的应用非常适用,例如无线通信系统、雷达系统、图像处理系统等。通过将频繁访问的数据和指令存储在TCM中,可以提高系统的处理速度和效率。
物联网设备:随着物联网设备的普及,对于需要在资源有限的设备上实现高性能和实时响应的应用,TCM可以帮助提高系统的性能和能效,同时减少对外部存储器和网络带宽的依赖。
高性能计算:在需要进行复杂计算和大规模数据处理的高性能计算应用中,TCM可以提供更快速和可靠的数据访问,从而提高系统的计算性能和吞吐量。
MCU如何将通过FSP将代码/数据放置到TCM中?
瑞萨电子灵活配置软件包(FSP)是用于嵌入式系统设计的高质量增强型软件包,支持瑞萨电子RA产品家族ARM微控制器,提供用户友好的界面且可灵活扩展,确保从入门级到高性能的整个RA微控制器的软件兼容性。FSP包括高性能、低内存占用的业界一流的HAL驱动程序。还包含集成了Azure RTOS和FreeRTOS的中间件协议栈,能够简化通信和安全等复杂模块的实现。e2 studio IDE提供了对图形化配置工具和智能代码生成器的支持,从而使编程和调试变得更加轻松快捷。
瑞萨FSP链接脚本提供TCM内存区域段定义
memory_region.ld中的内存大小定义:

内存区域定义:

如下原型定义可用于将用户代码/数据放置到TCM中。在启动过程中,.itcm_data和.dtcm_data区域将通过闪存中存储的初始化代码进行数据初始化。.dtcm_bss区域已初始化为零。

FSP中的ITCM段定义:

FSP中的DTCM段定义:

TCM例子分析
下图是一个RA8x1 MCU实际使用TCM的例子,它使用了ITCM和DTCM。图片中的右边为RA8x1 MCU的系统地址空间。

具体分析过程为:
1)紫色的代码“uint16_t i;”全局变量,它运行的时候,分配的地址是在从0x2200_0000开始的On-chip SRAM中。
2)红色的代码“BSP_PLACE_IN_SECTION(“.dtcm_data”)uint8x16_t rega_8, regb_8, regc_8, regd_8;”,全局变量,但是由于这些变量前面添加了BSP_PLACE_IN_SECTION(“.dtcm_data”),这表示将这些变量放置到DTCM中,它运行的时候,分配的地址是在从0x2000_0000开始的DTCM中。
3)青色的代码“void hal_entry(void)”,它是函数,运行的时候,分配的地址是在从0x0200_0000开始的On-chip flash中。
4)深绿色的代码“void helium_test(void)”,它是函数,但是由于这些变量前面添加了BSP_PLACE_IN_SECTION(“.itcm_data”),这意味着,该代码运行的时候,分配的地址是从0x0000_0000开始的ITCM中。
下图是上面描述的代码在e2 studio中使用了LLVM工具链编译并仿真运行的截图,可以发现右边表达式窗口中的i,rega_8, regb_8, regc_8, regd_8,helium_test,hal_entry这些代码或者变量的地址和刚刚分析的结果是相符的。

来源:瑞萨嵌入式小百科
免责声明:本文为转载文章,转载此文目的在于传递更多信息,版权归原作者所有。本文所用视频、图片、文字如涉及作品版权问题,请联系小编进行处理(联系邮箱:cathy@eetrend.com)。