与分立半导体组件相比,使用运算放大器和仪表放大器能 给设计师带来显著优势。虽然有关电路应用的著述颇丰, 但由于设计电路时往往匆忙行事,因而忽视了一些基本问题,结果使电路功能与预期不符。在此,咱们论述几个最为常见的设计问题并提出实用的解决方案~
1. 缺少直流偏置电流回路
最常见的应用问题之一是在交流耦合运算放大器或仪表放 大器电路应用中,没有为偏置电流提供直流回路。图1 中,一个电容串接在一个运算放大器的同相(+)输入端。这 种交流耦合是隔离输入电压(VIN)中的直流电压的一种简单 方法。这种方法在高增益应用中尤为有用,在增益较高 时,即使是放大器输入端的一个较小直流电压,也会影响 运放的动态范围,甚至可能导致输出饱和。然而,容性耦 合进高阻抗输入端而不为正输入端中的电流提供直流路径 的做法会带来一些问题。

错误的交流耦合运算放大器电路
2. 为仪表放大器、运算放大器和ADC提供基准电压
放大器基准电压源提供零差 分输入时的偏置电压,而ADC基准电压源则提供比例因 子。通常在仪表放大器输出端与ADC输入端之间使用一个 简单的RC低通抗混叠滤波器来降低带外噪声。设计师一般 倾向于采取简单的办法,比如利用电阻分压,来为仪表放 大器和ADC提供基准电压。在某些仪表放大器应用中,这 种方法有可能导致误差。

典型单电源电路中仪表放大器驱动ADC
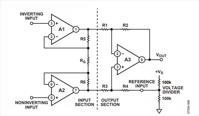
3. 正确提供仪表放大器基准电压
通常认为仪表放大器基准输入端是高阻抗,因为它是一个 输入端口。因此,设计师可能将高阻抗源,比如电阻分压 器连接至仪表放大器的基准电压引脚。对于某些类型的仪 表放大器,这可能导致严重错误。

不恰当的使用简单分压器来直接驱动三运放结构仪表放大器的基准引脚
4. 在利用电阻分压供电电源给运放提供基准的情况 下保持PSR
一个经常被忽视的问题是,电源电压VS的噪声、跳变、或 漂移会反馈到基准输入端进而直接叠加到输出上,仅受分 压比影响而衰减。实际的解决方案包括采用旁路和滤波 器,甚至用高精度的基准IC,比如ADR121,来产生基准 电压,而不是对VS进行分压。在设计同时采用仪表放大器和运算放大器的电路时,这种考虑非常重要。
5. 对单电源运算放大器电路进行去耦
单电源运算放大器电路要求对输入共模电平进行偏置以处 理正负摆动的交流信号。当采用电阻分压供电电源的方法 来提供偏置时,必须进行足够的去耦处理,以维持PSR不 变。 一种常见的,但是错误的做法是通过一个带有0.1 μF旁路电 容的100 kΩ/100 kΩ分压电路来向运算放大器的同相端提供 VS/2偏置。如果使用这些值,电源去耦往往显得不足,因 为其极点频率仅为32 Hz。
文章来源:ADI