一、引言
在现代工业自动化、能效监测、智能仪表等应用领域中,通信接口如RS-485、RS-232、CAN等芯片被广泛应用于实现设备间的高效数据交换。然而,这些接口产品经常工作在电磁兼容性(EMC)挑战极为严峻的环境中。生产和应用环境中的瞬态冲击,不仅可能导致通信信号失真和数据传输错误,还可能损坏通信接口芯片,导致整个系统的失效。TVS和TSS作为典型的电路保护器件,能够为通信芯片提供必要的保护。本文将探讨如何选择适合的TVS和TSS器件,为系统设计提供可靠的解决方案。
二、TVS和TSS的对比
在电子设备的生产过程和终端客户应用中,保护接口芯片免受各种电过应力事件的影响是一个不可忽视的问题。TVS/TSS保护管常用于上述用途,因为它们可以通过生成低阻抗电流路径来钳制电压尖峰。

图1 TVS TSS对冲击波形的抑制作用对比
TVS管跟TSS管二者的封装类型是类似的,但是二者的吸收效果却有一定的差异。TVS管,全称瞬态电压抑制二极管;TSS是电压开关型瞬态抑制二极管,或者叫做半导体放电管。从名称上可以直观地看出二者的抗干扰能力区别, 吸收效果可以通过图1来简单地理解,TVS的残压非常稳定,对瞬态冲击可以起到更好的抑制作用,TSS存在尖峰脉冲。
TVS TSS的关键参数
TVS

TSS

以智能电表应用为例,上述为智能电表中RS-485芯片常用的TVS和TSS保护器件,在进行选型的时候,需要特别关注的指标如下:
Vrwm/Vdrm
TVS的Vrwm和TSS的Vdrm要高于芯片的工作电压,才能确保没有冲击时,不会影响芯片的正常通讯。
VC/VS
TVS的VC(钳位电压)相对较低,以SMB6.8CA为例,在10.8V;
TSS的VS(转折电压)从最初的25V降至12-15V,但是多次重复测试,尖峰残压值不稳定。
结电容
低压TVS的结电容在nF量级,TSS为几十pF,更适用于高速应用的场景,特别是国网电表提速后,以前使用的防护器件无法满足新的应用要求,表厂通常选择VC更高的TVS以减小结电容,或者更换为TSS。
响应时间
TVS/TSS的规格书通常对此不做标注,可以根据快速瞬变信号的残压信号作对比测试,或者采用VF-TLP设备测试峰值电压的波形,同等规格的TVS的响应时间通常优于TSS。
额定功率Pppm
TVS/TSS产品的额定瞬态功率应大于电路中可能出现的最大瞬态浪涌功率。
三、应用实例
TVS/TSS方案是最基本的防护方案,为了适应不同的应用场景以及不同的接口芯片,我们给出几个应用实例。
单端总线的应用实例
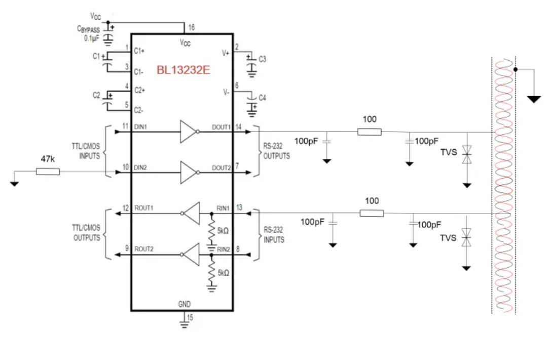
我们以RS-232接口为例,给出单端总线的TVS防护方案。

图2 RS-232 外围应用图
图2为RS-232电路的外围应用图,根据RS-232芯片的工作电压和极限电压,可以选用的双向TVS为SMB8.0CA,总线上串联的100欧姆电阻也起到了一定的限流作用。
差分混合网络的的应用实例
随着系统的复杂度和通信速率不断提升,混合网络的需求日益增加,以电力行业的集中器和采集终端为例,CAN和RS-485共用外围防护器件以及通信线缆,外围应用如图3所示:

图3 混合网络的外围应用图
在混合网络中,CAN收发器总线的极限电压通常在40V以上,明显高于RS-485收发器,所以工作电压和极限电压按照RS-485的参数进行选择。同时在该系统中,RS-485通信速率为115200bps,CAN的通讯速率为1Mbps,需要考虑保护器件结电容的影响。
对于通讯速率低于9600bps的智能电表而言,可以选择TVS,对瞬态冲击具有较好的抑制作用,例如SMBJ6.8CA。对于115200~1Mbps智能仪表设备,由于结电容的限制,可选用TSS器件。需要关注的是,响应时间和VS需满足系统以及接口芯片的要求,其中VS不能超过RS-485芯片AB端的极限电压值。由于集中器需要进行380V防错接测试,所以总线上需要接入RTA/RTB热敏电阻,配合TSS确保通信芯片的安全。热敏电阻的型号可以参考MZ11-10A200-300RM,如果总线上只在A端接入一颗热敏电阻,则建议采用MZ11-10A300-600RM。
四、结论
在实际应用中,选择合适的TVS/TSS防护元件至关重要。对于需要极快响应速度和较低钳位电压的应用,TVS二极管是首选,而对于高速数据传输的应用,TSS保护器件提供了更多的选择。
无论是选择TVS还是TSS,都需要根据具体的应用场景和技术需求进行权衡。合理选择和使用防护元件,可以显著提高接口芯片的可靠性和耐用性,确保电子设备的稳定运行。
表1为上海贝岭RS485、RS232产品选型表,可以根据不同的应用场景进行多样化的选择。

表1 RS485、RS232产品选型表
文章来源:上海贝岭