如今,数据中心迫切需要能够高效转换电能的功率半导体,以降低成本并减少排放。更高的电源转换效率意味着发热量减少,从而降低散热成本。
电源系统需要更低的系统总成本和紧凑的尺寸;因此必须提高功率密度,尤其是数据中心的平均功率密度正在迅速攀升。从十年前的每个1U机架通常只有5 kW,增加到现在的20 kW、30 kW 或更高。

图1:数据中心供电:从电网到GPU
电源供应器(PSU)还必须满足数据中心行业的特定需求。人工智能数据中心的PSU应满足严格的Open Rack V3 (ORV3) 基本规范,要求30%到100%负载下的峰值效率达到97.5%以上,并且10%到30%负载下的最低效率达到94%。
电源拓扑
作为PSU中交流/直流转换的关键部分,在功率因数校正(PFC)级实现高能效至关重要,该级负责调整输入电流,从而最大限度地提高有用功率与总输入功率的比率。为满足IEC 61000-3-2 等法规中的电磁兼容性(EMC)标准,并确保符合ENERGY STAR®等能效规范,PFC设计是关键所在。
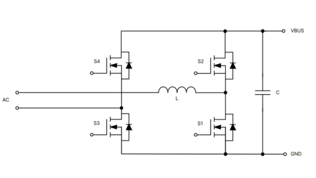
在许多应用中,最佳方法是采用“图腾柱”PFC拓扑(图2),这种拓扑通常用于数据中心3 kW 至8 kW 系统的PFC功能块。图腾柱PFC级基于MOSFET,通过移除体积大且损耗高的桥式整流器,提高了交流电源的能效和功率密度。

图2:图腾柱PFC拓扑
为了达到97.5%的能效,图腾柱PFC需要使用碳化硅(SiC)等“宽禁带”半导体的MOSFET。如今,所有PFC级均采用SiC MOSFET 作为快速开关桥臂,并使用硅基超级结MOSFET作为相位或慢速桥臂。
与超级结MOSFET等硅(Si) MOSFET 相比,SiC MOSFET 具有更好的性能和更高的能效。它们在高温下表现出色,具有更强的稳健性,并能在更高的开关频率下运行。
与Si MOSFET 相比,SiC MOSFET 在输出电容中存储的能量(EOSS)更少,这在PFC级的低负载条件下至关重要,因为在低负载运行下,开关损耗在整个MOSFET功耗中占据了主要部分。较低的EOSS和栅极电荷可最大限度地减少开关过程中的能量损失,从而提高图腾柱PFC快速桥臂的能效。此外,由于SiC器件具有出色的热导率,相当于硅基器件的三倍,因此与Si MOSFET 相比,SiC MOSFET 具有更好的正温度系数RDS(ON)。
这意味着,SiC MOSFET 的导通电阻在结温升高时增幅小于Si MOSFET。在175ºC等高温下,SiC MOSFET 的导通损耗较低,而导通损耗在总功率损耗中占据主要部分。
下表比较了目前市面上的650V超级结MOSFET与安森美(onsemi)650V SiC MOSFET 的关键参数。

SiC MOSFET 助力实现高能效
在众多SiC MOSFET 产品中,安森美650 V M3S EliteSiC MOSFET(包括NTBL032N065M3S和NTBL023N065M3S)提供了出众的开关性能,并显著提高了超大规模数据中心的PFC和LLC级能效。
M3S EliteSiC 技术性能远远超过其前代产品,其中栅极电荷降低了50%,EOSS降低了44%,输出电容中存储的电荷(QOSS)也减少了44%。用于PFC级的硬开关拓扑中时,这个出色的EOSS数值能够提高轻载下的系统能效。此外,较低的QOSS简化了LLC级软开关拓扑的谐振储能电感设计。
得益于出色的开关性能和能效,M3S EliteSiC MOSFET 散发的热量更少。此外,MOSFET的栅极电荷Qg在同电压等级的产品中表现出色,能够降低栅极驱动损耗。同时,出色的Qgs和Qgd也有效降低了开关导通和关断损耗。

图3:650V M3S EliteSiC MOSFET 的优势
在LLC功能块中,当VDS从关断状态转换到二极管导通状态时,需要对输出电容进行放电。为了快速完成这一过程,必须使用低瞬态输出电容。瞬态COSS之所以重要,是因为它可以最大限度地减少谐振储能的循环损耗,并缩短LLC的死区时间,从而减少初级侧的循环损耗。低导通电阻能够最大限度地减少导通损耗,而低EOFF有助于最大限度地减少开关损耗。
总体而言,提升系统能效是最重要的性能标准,这使得SiC MOSFET 成为数据中心PFC和LLC级的首选方案。
相较于市场上的众多其他SiC MOSFET 产品,基于相同的RDS(ON),安森美650V EliteSiC MOSFET 在成本、EMI、高温运行和开关性能方面,可与超级结MOSFET竞争。650V M3S EliteSiC MOSFET 的RDS(ON)低于相同封装的超级结MOSFET,这提升了LLC拓扑的系统能效,同时,由于其开关损耗远低于硅基替代品,因此性能表现优于后者。

图4:M3S 650V EliteSiC MOSFET 产品组合
点击了解有关安森美650V EliteSiC MOSFET的更多信息。
文章来源:安森美