在当今电竞文化蓬勃发展的时代,RGB 灯效逐渐成为电竞产品中不可或缺的重要元素。它不仅为玩家带来了极具视觉冲击力的光影效果,还通过个性化与智能化的设计,提升了电竞体验的沉浸感和氛围感。RGB灯在电竞产品上的应用极为广泛,从键鼠、耳机等外设到显示器、主机等核心硬件。这些设备通过灯光色彩的变换、动态效果的展示以及与音乐、游戏场景的同步,营造出独特酷炫的效果。随着技术的不断进步, RGB灯效在电竞产品中的应用将更加多样化和智能化,为玩家创造出更具未来感和沉浸感的电竞空间。

络明芯发布了一款低功耗、高性能矩阵LED驱动芯片IS31FL3762。该芯片可配置的24×n(n=2~12)矩阵,单芯片支持多达288个单色灯或96个RGB灯。芯片每通道4096级 PWM调光和256级直流白平衡调节,能够实现非常细腻呼吸和丰富的RGB色彩。目标应用市场包含游戏键盘,白色家电,以及手持式设备显示屏等。

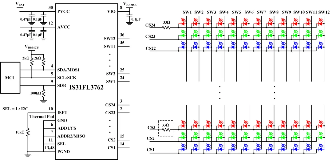
典型应用电路
IS31FL3762主要特性
高精度PWM控制
支持12bit/8+4位/8bit和6+2bit 多种PWM调光模式。每通道高达4096级的PWM调节,加上256级直流电流调节,能够实现颜色的白平衡,丰富的RGB色彩和细腻呼吸效果。其中,(6+2)bit PWM模式,PWM频率高达312kHz,对应矩阵扫描频率高达26kHz,能够避免了人耳可听到的电容啸叫声,为用户带来安静且舒适的使用体验。
低功耗设计
极低的静态电流(1.2mA典型值),支持硬件和软件关断模式,关断电流低至0.6uA。这种低功耗设计大大降低了整个系统的能耗,使其在长时间运行时仍能保持高效的性能表现,特别适合对功耗敏感的应用场景。
去鬼影功能
内置去鬼影电路,通过内部寄存器配置SW端的下拉电压和CS端上拉电压,消除LED陈列的鬼影现象,同时限制了LED灯珠的反向电压,保证LED的寿命,增强产品可靠性。
EMI优化
内置可编程扩频技术,优化EMI性能。可配置输出通道180度相位延迟功能,大大减小电源的浪涌电流,有助于进一步降低EMI。优秀的EMI性能,使得产品在复杂的电磁环境中也能稳定运行。
通信接口
提供12MHz SPI或1M I2C通信总线可供用户选择,更高通讯速度支持更多数据量,更好地实现各种炫酷灯光效果。IS31FL3762 通过SEL脚可以轻松在I2C 和 SPI 总线之间进行切换,为设计者提供更大的灵活性,满足不同的设计需求。
高可靠性
芯片具备LED开路、短路故障检测功能。故障信息储存在内部寄存器中, MCU可以通过SPI/I2C接口读取故障信息,定位故障LED的位置。这一功能方便系统测试时,快速定位LED的故障位置,提高系统的可靠性。
Lumissil长期以来都是电竞设备和家电市场矩阵型LED驱动的领导者。IS31FL3762推出,进一步丰富了矩阵型LED产品阵容,完善键盘市场单芯片灯效解决方案。表1、键盘应用选型。

表1、键盘应用选型
关于络明芯
络明芯微电子(Lumissil),是全球技术领先的集成电路设计企业,其分支机构分布于厦门、武汉、苏州、合肥、深圳、上海、北京、中国香港、美国、日本、新加坡、欧洲、印度和韩国及其它地区。主要产品为用于中低功率的RGB混色和高功率照明应用的LED驱动、音频驱动、电源、MCU和传感器、GreenPHY和有线通信等各种集成电路芯片。主要应用于汽车;通信;工业、医疗、家电;消费电子等市场。更多资料请关注我们的官网:http://www.lumissil.com