跳转到主要内容
winniewei 提交于

为深入剖析当前电源设计普遍面临的难题,并提供一系列切实可行的解决方案和创新设计思路,德州仪器专家创建电源设计小贴士系列技术文章,介绍电源设计的常见提示和技巧,帮助设计人员更好应对电源设计挑战,助力设计更加高效、可靠。

为了优化电动汽车 (EV) 的电源,车载充电器 (OBC) 必须高效、轻便、小巧。电动汽车重量减轻后,也需要更低的功率来驱动,从而提高整体效率。

OBC 需要支持适当的电网到车辆 (G2V) 电压和当前的电池充电算法;因此,它可以作为电网和电动汽车之间的功率调节接口(图 1)。此外,它必须能够通过车辆到电网 (V2G) 供电,为电动汽车补充峰值容量可能波动的可再生能源。

1.png

图 1 OBC 需要支持适当的 G2V 电压并通过 V2G 供电

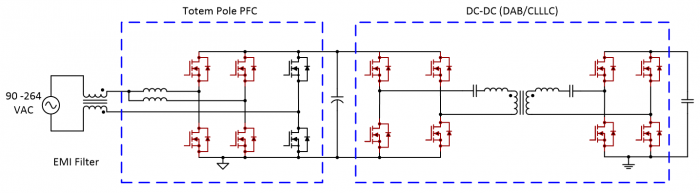
为方便电网和电动汽车内的高压电池连接,需要一个电磁干扰 (EMI) 滤波器、功率因数校正 (PFC) 和一个隔离式直流/直流功率级。图 2 展示了此架构。

2.png

图 2 这个简化原理图显示了 OBC 如何作为电网和电池之间的接口

本次讨论的范围仅限于直流/直流级。截至撰写本文时,直流/直流级的两种常见选择是电容-电感-电感-电容 (CLLLC) 和双有源电桥 (DAB) 拓扑(图 3 和 4)。这两个选项都可以实现小尺寸解决方案,并满足必要的 G2V 和 V2G 功率需求。

3.png

图 3该原理图显示了 CLLLC 的基本拓扑

4.png

图 4 该原理图显示了 DAB 拓扑

更大限度地提高 OBC 性能并减小其尺寸

为了理解这两种拓扑选项如何影响 OBC 的尺寸和性能,本文进一步将范围限制在电池充电运行阶段(或 G2V),考虑如何通过提供开关可承受的最大电池功率来更大限度缩短充电时间。例如,请考虑在以下工作条件下运行的开关:

•PDISS = 20W

•ϑJA = 3°C/W

•TA = 65°C

根据公式 1,开关的 TJ = 125°C:

TJ=PDISS⋅ϑJA+TA (1)

此设计中的开关不能承受高于 125°C 的温度;因此,该条件代表 OBC 在不影响开关性能的情况下可为电池提供的最高功率级别。目标是更大程度地降低开关中的功率耗散,并尽快为电池充电。

有两大因素决定了开关中的大部分功率损耗:均方根 (RMS) 电流和开关保持零电压开关 (ZVS) 的能力。

鉴于其低电容及快速导通和关断特性,德州仪器 (TI) 的 GaN 开关能够使转换器运行时的开关频率比硅片的更高。更高的工作频率直接影响无功元件的尺寸,并实现更小的变压器、电感器和电容器。本文首先为 DAB 和 CLLLC 建立基准设计,然后探讨如何增强电路来扩展转换器的 ZVS 范围。

基准 DAB CLLLC 性能比较

表 1 概述了 OBC 的基本要求。

5.png

表 1 OBC 电源要求

为 DAB 和 CLLLC 创建详细的设计有助于确定更可行的储能回路设计。设计过程超出了本文的讨论范围;然而,电路仿真最好能够充分地估算开关中的损耗,并验证与总体功能的符合性。本文将仿真器配置为在不同的功率级别以及输入和输出电压下以批量模式运行,并测试了不同的 DAB 和 CLLLC 电感、电容和匝数比等值。在每次仿真运行中,本文都会收集有关 VIN、VOUT、开关功率、RMS 电流和开关 ZVS 条件等参数的数据。表 2 总结了两种优化的拓扑设计。

6.png

表 2 DAB 和 CLLLC 优化设计

图 5 突出展示了各仿真结果。虽然每个拓扑中有八个开关,但图表仅绘制了功率损耗最高的开关。对于每个开关,都有三个图。第一个是开关中的总损耗。第二个是流经开关的 RMS 电流。最右侧的第三个图展示了特定 GaN 开关开启时最坏情况下的漏源电压。这是 ZVS 损耗量的关键指标;该电压越高,相应开关中的损耗越大。因此,开关的 RMS 电流及其维持 ZVS 的能力决定器件的主要功率损耗。

7.png

图 5 仿真结果显示了 CLLLC 和 DAB 的 RMS 和 ZVS 基本情况

通过仔细研究上述数据,可以明显地看出 CLLLC 能够在更宽的运行范围内维持 ZVS。因此,增强型 ZVS 有助于降低 CLLLC 开关中的功率损耗。话虽如此,但在 6.6kW 运行功率下,DAB 具有卓越的性能,这得益于它在大部分范围内具有良好的 ZVS 和更低的 RMS 电流。这些观察结果建议寻找一种方法来改进 ZVS,而不对 RMS 电流产生不利影响。

利用换向电感器提高 ZVS

图 6 和图 7 展示了与图 3 和 4 相同的 CLLLC 和 DAB 电路,其中在拓扑中添加了额外的电感器(以黄色突出显示),以便提供在更宽的工作范围内维持 ZVS 所需的额外电流。现在,假设有一种情况,即这些额外的电感器始终可以正常工作。

8.png

图 6 该原理图显示了带换向电感器的 CLLLC

9.png

图 7 该原理图显示了具有换向电感器的 DAB

为便于参考,表 3 列出了新增电感器的值,其他储能回路参数与上表相同。

10.png

表 3 具有换向电感器 (LC) 值的 DAB 和 CLLLC 设计

图 8 展示了重复图 5 中的仿真后的结果。

11.png

图 8 每个电路的 RMS 和 ZVS 结果显示了 LC 的影响

在这种情况下,请注意 DAB 能够在整个工作条件范围内实现全 ZVS。GaN 开关的 VDS 在开通时始终为 0V 这一事实清楚地说明了这一点。CLLLC 虽然无法实现完整的 ZVS,但能够明显改善 ZVS。不过,还要注意,ZVS 的改善会显著降低两种拓扑中的 RMS 电流。仅从功率损耗来看,DAB 转换器似乎在大部分范围中都具有优势。

言归正传,本文将比较图 8 和图 5,您会发现在某些情况下换向电感器实际上会增加损耗。这就引出了一个问题:是否有可能创建一种混合方法,将图 5 和图 8 中所示的损耗降到最低?

尽量减少总损耗:一举多得

增加换向电感器可实现更广泛的工作条件,其中转换器可保持 ZVS。当转换器无法保持 ZVS 时,这种做法具有巨大优势。换向电感器的问题在于,它只会在无 ZVS 时改善损耗。如果转换器已经处于 ZVS 中,则换向电感器会因电流增加而影响运行,从而导致开关中的欧姆损耗更大。

这个思维过程产生了一种混合测试方法,其中换向电感器在较重负载下保持关闭状态,在较轻负载下开启。图 9 显示了重复使用此方法进行仿真后的结果,这使设计能够利用每种拓扑的较低 RMS 电流和重负载下的自然 ZVS 能力。

为了防止开关中出现不需要的 RMS 电流或解决方案尺寸,本文只是谨慎增加了足够的换向电感和工作时间,以适应开关的热范围。请注意,DAB 转换器不能在工作范围内实现全 ZVS。ZVS 得到了很大改善,但仅在需要时保持在上述的 20W 开关目标范围内。

12.png

图 9 这些是使用混合方法获得的 RMS 和 ZVS 结果

为了更好地体现各种权衡因素,图 10 总结了每种情况的功率损耗。您可以看到在开关中的功率损耗方面,DAB 转换器具有明显优势。

13.png

图 10 每种情况下的功率损耗摘要有助于直观显示各种权衡

为了更好地说明这两个转换器之间的性能,图 11 更改格式重新绘制了图 10 中所示的数据。该图显示了假设开关不能安全地耗散超过 20W 的功率,每个转换器可提供的最大功率。请记住,20W 表示开关可承受的最大损耗且仍保持结温低于 125°C。

14.png

图 11 该图显示了每个转换器可提供的最大功率

CLLLC 更好,还是 DAB 更好?

图 11 中的蓝线在红线上方证明了 DAB 转换器能够在整个范围内提供比 CLLLC 更大的功率。这使人们很容易以为 DAB 是当之无愧的赢家。但是,请记住超小尺寸和重量是 OBC 的核心要求。DAB 转换器需要两个额外的电感器,但 CLLLC 只需要一个。因此本文认为,CLLLC 更胜一筹。

与大多数工程设计工作一样,最好的方法大多就是根据要求进行权衡。获得巨大优势往往会有代价,这次也不例外。本文认为,CLLLC 在尺寸方面比 DAB 更具优势。

关于德州仪器

德州仪器(TI)(纳斯达克股票代码:TXN)是一家全球性的半导体公司,从事设计、制造和销售模拟和嵌入式处理芯片,用于工业、汽车、个人电子产品、企业系统和通信设备等市场。我们致力于通过半导体技术让电子产品更经济实用,让世界更美好。如今,每一代创新都建立在上一代创新的基础上,使我们的技术变得更可靠、更经济、更节能,从而实现半导体在电子产品领域的广泛应用。登陆 TI.com.cn 了解更多详情。

电源设计小贴士 | 用于电动汽车车载充电器的 CLLLC 与 DAB 比较