作者:Faheem Zahid, Littelfuse产品营销经理 Jose Padilla, Littelfuse产品管理高级总监
Littelfuse推出新型1300V A5A沟槽分立式IGBT,专为800V电动汽车(BEV)应用而设计。这些IGBT具有优化的集电极-发射极饱和电压(VCE(sat))、强大的短路能力和更大的电流范围。特别适用于PTC加热器、放电电路和预充电系统等应用,这些应用的重点是更高的浪涌电流和低导通压降,而不是高开关频率。
背景
汽车行业正积极拥抱可持续发展,其中电动汽车(BEV)因其高效率和零尾气排放而走在前列。2023年,BEV和插电式混合动力电动汽车(PHEV)的全球销量达到1360万辆,比2022年增长了31%。据预测,这一数字在未来几年还将加速增长。
自电动汽车(EV)大规模应用的最初几年起,碳化硅(SiC)和其他宽带隙(WBG)技术就被认为是各种BEV子系统的理想候选材料。与硅相比,WBG材料具有更高的带隙和更大的击穿电压,因此可以实现更高的电流密度、更高的开关频率并降低总体损耗。这些优点使系统设计人员能够提高效率、缩小体积和减轻重量,特别是在允许高开关频率的应用中。因此,正如大量研究表明的那样,碳化硅已成为牵引逆变器的主流技术,但也有一些例外。
应用
图1 电池分配装置
BEV的热管理
传统内燃机(ICE)汽车本身会产生大量的热能浪费,而电动汽车则不同,它的效率要高得多。但这种效率的后果是,它们不会产生足够的废热来加热。
电动汽车(EV)有两个与热管理相关的重要要求:
电动汽车电池调节
在寒冷环境条件下的车内空间加热
在寒冷的环境温度下,PTC加热器和热泵可用于调节电池以达到最佳性能,产生的热量还可用于车内空间加热。PTC加热器的典型电路配置如下所示。

图2 PTC加热器电路
放电电路
800V BEV系统中直流母线电容器的放电要求,高压电池电动汽车的关键安全协议要求在两种不同的运行情况下对直流母线电容器进行放电:
正常运行关闭 紧急情况,如碰撞后或严重故障检测
这些放电机制是基本的安全功能,旨在降低车内人员和维修人员触电的风险,同时防止潜在的火灾危险。根据制造商的风险评估协议,这种应用通常被划分为汽车安全完整性B级(ASIL-B)。

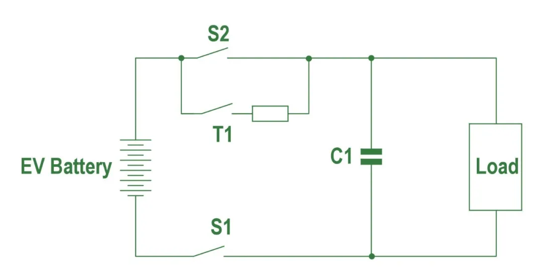
预充电电路
预充电电路通常用于电动汽车(EV),包括电池管理系统和车载充电器,以及电源和配电装置等工业应用。在电动汽车中,控制器不仅要处理高电容电气元件,还要通过控制电机的功率流来确保电机平稳高效地运行。预充电电路中的高压正负接触器可安全地连接和断开电容器的电源,防止启动时产生过大的浪涌电流。它们可确保充电受控,并在必要时通过隔离组件来维护系统安全。如果没有预充电电路,接触器在闭合过程中可能会发生熔化,导致短暂电弧和潜在损坏。
其中一种预充电电路拓扑结构如图4所示。

图4 预充电电路

图5 Littelfuse的BDU演示板
Littelfuse提供1300V A5A沟槽式IGBT
为了满足800V BEV不断发展的需求,Littelfuse推出了全新系列的1300V沟槽分立式IGBT,如下图6所示。这些器件专为需要降低传导损耗(Pcond)、良好热性能和可靠性的应用而设计。该系列的A级IGBT具有优化的低集电极-发射极饱和电压(VCE(sat)),从而提高了低频开关性能。这些IGBT具有高达10µsec的短路可靠性。这一特性尤其适用于关键的BEV系统,如对车内空间加热和电池调节至关重要的PTC加热器。此外,这些IGBT还可用于预充电和放电电路。

图6 1300V A5A产品阵容
性能和优势
更高的击穿电压BVCES:1300V击穿电压专为800V BEV架构定制,适用于乘用车和重型卡车。1300V额定电压可为直流母线电压提供缓冲,直流母线电压会根据电池的充电状态而波动,然而1200V额定电压的器件可能会带来应用风险。
短路能力tSC:1300V IGBT可处理长达10微秒的短路能力,因此适用于需要更高可靠性的汽车应用。
封装:表面贴装分立封装包括TO-263HV、TO-268HV和插件TO-247。这些SMD封装的高压(HV)版本与标准3引脚版本相比,改善了爬电距离和电气距离。
结束语
随着汽车行业向更高电压架构的电动汽车转变,硅IGBT对于要求较低开关频率和最小传导损耗的应用仍然至关重要。Littelfuse的1300V A级沟槽式IGBT系列可满足800V BEV子系统的特殊需求,特别是在PTC加热器、放电电路和预充电应用中。这些IGBT具有低VCE(饱和)、短路能力和宽电流范围。同时提供SMD和插件封装,具有更强的爬电和电气距离,为设计提供了灵活性。
文章来源:Littelfuse