近年来随着新能源汽车的发展,汽车行业呈现智能化、更安全发展趋势,对芯片性能、适配性、可靠性、安全性等方面提出了更高要求。
艾为推出的AWS79062SPR-Q1车规级低噪声CMOS双通道运算放大器,拥有低电压工作、轨到轨输入和输出、出色的带宽和压摆率以及超低失真度的优异性能,使得该器件在处理复杂信号时表现出色,能够满足汽车系统中对高精度、高稳定性信号放大的需求。

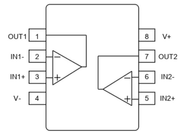
图1 AWS79062-Q1封装
AWS79062-Q1主要参数
支持AEC-Q100 Grade 1 温度等级要求(TA = -40℃ 至 +125℃)
宽工作电压范围:1.8V~5.5V
低输入失调电压:0.4mV(典型),1mV (最大)
压摆率:13V/us
低静态电流:850µA per channel
增益带宽积:10MHz
轨到轨输入和输出
AWS79062-Q1主要应用
信息系统娱乐与仪表
被动安全
车身电子装置和照明
HEV/EV逆变器和电机控制
车载(OBC)和无线充电器
电力系统电流传感器
高级辅助驾驶系统(ADAS)
亮点一:
低输入失调电压(VOS)精度更高
输入失调电压VOS是指运放两个输入电压相等时,为了使输出电压为零,需要额外在输入端补偿的电压值。VOS大小影响整个系统输出的精度与误差。

图2 输出电压曲线
亮点二:
高增益带宽积(GBW)
增益带宽积是用来简单衡量运放性能的重要参数,这个参数表示增益和带宽的乘积,运放的单位增益带宽,它是指运放增益为1时的-3dB带宽,它与运放的增益带宽积从数值上是相等的。

图3 信号放大示意图
亮点三:
高压摆率(SR)输出响应更快
压摆率是运算放大器输出电压的转换速率,是运算放大器在速度方面的指标,表示运放对信号变化速度的响应能力,是衡量运放在大幅度信号作用时工作速度的参数。

图4 输出建立响应曲线
应用方案一:高边电流检测
如下线路图为高边电流检测电路,此线路图工作在高共模输入电压,接近电源轨,高边电流检测消除了低边检测方案中产生的地线干扰,还能检测到负载开短路故障。

图5 高边电流检测
应用方案二:低边电流检测
如下线路图为低边电流检测电路,此线路图工作在低共模输入电压,接近地轨,低边电流检测对OPA要求低,线路简单易行。

图6 低边电流检测
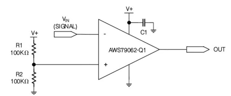
应用方案三:作为比较器应用
比较器用于区分两种不同的信号电平。例如,比较器可用于区分过压、欠压和正常运行状态。AWS79062-Q1 可作为比较器使用,其具有轨至轨输入和输出级,输入共模范围超出电源轨100mV。

图7 比较器应用
产品选型表

艾为电子专注于高性能数模混合信号、电源管理、信号链等IC设计,掌握了核心的芯片设计技术,艾为运算放大器产品族会陆续推出多款拥有高压、高精度、零漂移等性能的优质产品,致力于为客户提供全面的产品及解决方案。
文章来源:艾为电子