本期,我们将介绍单个电容器的详细知识。
需要多个输出电压的系统通常采用反激式转换器。在这些多输出反激式转换器中,同时对所有输出电压进行良好的调节是一项重大挑战。
同步整流器可平衡输出电压,但代价是绕组中的均方根 (RMS) 电流较高、轻负载效率降低。此电源设计小贴士将通过一个生成相同幅值正 / 负输出的特殊案例继续讨论。在这种情况下,正确放置单个电容器可以改善所有负载条件下的交叉调节性能。
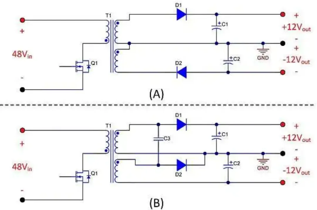
图 1 展示了 48V 至 ±12V 电源在正常配置下的简化原理图。要实施此处建议的技术,您必须首先稍微变换次级连接的位置,如图 1 所示,即添加电容器 C3 并将二极管 D2 从次级绕组的低侧移到高侧。另请注意,两个变压器次级绕组不再共用一个公共连接。除了增加的电容 C3 之外,图 1 在电气方面等同于图 1。

图 1:双路输出反激式电源的典型配置 (a);按图示重新配置和添加电容器可改善交叉调节 (b)
图 2A 展示了当 Q1 关断且 D1 和 D2 导通时的电路状态。在此状态期间,变压器通过次级绕组向两个输出传递能量。请注意,C3 与 +12V 输出并联,因此可充电至相同的电压电平。
图 2B 展示了当 Q1 导通、D1 和 D2 反向偏置并处于关断状态时的电路状态。在此状态期间,当初级绕组通过输入电压充电时,变压器以磁性方式储能。在这种状态下,只要两个次级绕组的匝数相同,C3 两端的电压等于 −12V 输出的幅值,如图 2B 中所示的公式所述。随着电路在这两种状态之间进行交替,电容器 C3 充当电荷泵,使两个输出电压的幅值均衡。这个电荷泵效应补偿了由电路中的寄生元件所导致的电压不平衡。如果两个次级绕组的匝数不同,则该技术将不起作用。

图 2:电路的两个状态:Q1 关断,D1 和 D2 导通 (a);Q1 导通,D1 和 D2 关断 (b)
图 3 展示了对初级绕组和次级绕组上的漏电感进行建模的仿真原理图。初级侧上的漏电感会导致初级侧出现短时电压电平,从而耦合到次级绕组上。次级绕组上的漏电感会降低两个输出电压之间的耦合。

图 3:探究漏电感对输出电压调节影响的仿真模型原理图
图 4 展示了 +12V 输出、1A 负载和 −12V 输出、10mA 负载时,输出二极管中的电压和电流波形。添加 1µF 电容器 C3 不仅使两个输出保持良好耦合,还可以滤除由初级绕组漏电感引起的电压电平的影响。请注意,具有较低负载电流的 -12V 输出二极管电压有小幅振荡。此振荡是由与电容器 C3 谐振的漏电感引起的,并导致 -12V 输出二极管导通时发生相移。电流波形的有趣之处在于 -12V 电流保持了三角形,这是从 +12V 次级绕组电流中减去的。

图 4:+12V 输出、1A 负载和 -12V 输出、10mA 负载下输出二极管的电压和电流波形
图 5 中的图形展示了添加电容器后对调节的影响。在这里,我们根据两个输出上的不同负载条件绘制了仿真图,其中包括添加和未添加电容器的情形。
没有电容器时,随着 −12V 负载降至零,−12V 输出电压会显著上升。有电容器时,两个输出在整个负载范围内相差不足 3%。这些结果与使用同步整流器获得的结果类似,但不会增加 RMS 绕组电流,而且几乎不会增加成本或复杂性。

图 5:仿真结果展示了添加单个电容器如何显著改善交叉调节功能
总之,寄生漏电感会降低多输出电源的稳压性能。在具有同等幅值的双路正负输出的电源中,添加单个电容器可以大大改善稳压性能。
在具有不同输出电压幅值的多输出电源中,使用同步整流器可能是改善交叉调节的理想方法。下次设计双路输出电源时,请考虑实施这种简单的技术来提高设计性能。
文章来源:德州仪器