引言
碳化硅(SiC)MOSFET在电源和电力电子领域的应用越来越广泛。随着功率半导体领域的发展,开关损耗也在不断降低。随着开关速度的不断提高,设计人员应更加关注MOSFET的栅极驱动电路,确保对MOSFET的安全控制,防止寄生导通,避免损坏功率半导体。必须保护敏感的MOSFET栅极结构免受过高电压的影响。Littelfuse提供高效的保护解决方案,有助于最大限度地延长电源的使用寿命、可靠性和鲁棒性。
1. 栅极驱动器设计措施
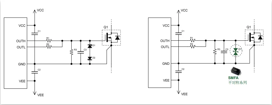
关于SiC-MOSFET驱动器电路的稳健性,有几个问题值得考虑。除了驱动器安全切换半导体的主要任务外,各种驱动器还提供短路保护功能。此外,采用适当的设计措施(如在关断状态下施加负栅极电压)来防止寄生开关是至关重要的。负栅极电压可确保增加MOSFET栅极阈值电压的偏移量,并提高开关单元对电压斜坡的抗扰度。另一项强制性措施是保护MOSFET的栅极,防止静电放电 (ESD)事件或电路中的寄生效应造成过压浪涌。
硅基功率半导体,如Si-IGBT和Si-MOSFET通常具有对称的栅极额定电压。这种额定值允许使用对称TVS二极管进行栅极保护,但这是不必要的,因为硅栅极电压的最大额定值足以高于应用的驱动电压。与硅器件不同,SiC-MOSFET的负栅极电压额定值通常明显低于正栅极电压额定值。因此,使用两个独立的TVS二极管(如图1所示)进行非对称保护是很常见的。Littelfuse现在提供SMFA型集成式非对称双向TVS二极管。这种解决方案有助于有效减少寄生效应和PCB面积,尤其是在快速开关SiC应用中。

表1 SMFA系列产品组合

图2显示了SMFA型非对称TVS二极管的静态和动态箝位性能。出于测试目的,提高了驱动器电压以显示TVS二极管的动态箝位。SMFATVS二极管不适合永久限制过高的驱动器电压。

凭借新型集成非对称TVS SMFA系列,Littelfuse提供了一种创新的解决方案,可最大限度地提高SiC MOSFET栅极驱动器电路的稳健性,同时实现具有成本效益、所需PCB空间更小、寄生效应最小的设计。
文章来源:Littelfuse