上海贝岭最新推出包含I2C和SPI接口的16/24位高精度低功耗模数转换器BL1090系列。
该系列采用低功耗设计,最高速率为960SPS。常温下,掉电模式功耗低至8 μA。连续转换模式功耗为300 μA。内置可编程增益放大器(PGA),可适配从±256 mV到±6.144 V的输入范围,从而实现高精度信号测量;内置输入多路复用器 (MUX),提供两对差分输入或四个单端输入。此外BL1090系列集成了输入缓冲器,降低驱动难度。

其中,BL1090C16/BL1090C24集成了数字比较器和开路检测电流源。可分别用于欠压、过压检测和外部传感器开路、短路检测。BL1090S16/BL1090S24集成了高精度温度传感器。
BL1090系列采用MSOP-10封装,额定工作温度范围为-40℃至+125℃,适合功率受限和空间受限的传感器测量应用,可广泛应用于便携式仪表、电池电压和电流监控、温度测量系统、消费类电子产品、工业自动化和自动控制领域。
产品规格

应用场景

便携式仪表
电池电压和电流监控
温度测量系统
消费类电子产品
工业自动化和自动控制
产品特性
注:除非另有说明,TA = 25°C, VDD = 5 V, FSR =±2.048 V, DR = 6.25 SPS。
低功耗
BL1090系列以6.25 SPS速率连续采样时,全温下功耗最高350 μA。掉电模式全温下功耗最大50 μA。

连续转换模式下工作电流vs温度

掉电模式下工作电流vs温度
高精度
BL1090全系产品具有出色的噪声特性和线性度,其中BL1090C16、BL1090S16产品有效分辨率不低于16 Bit。BL1090C24/BL1090S24产品有效分辨率最高可达23.7 Bit。
输入范围为±2.048V时,BL1090C16/BL1090S16的INL为±3 LSB。
表1 VDD = 3.3 V时,BL1090C16/BL1090S16噪声均方根值(噪声峰峰值)

表2 VDD = 3.3 V时,BL1090C16/BL1090S16有效分辨率(无噪声分辨率)

表3 VDD = 3.3 V时,BL1090C24/BL1090S24噪声均方根值(噪声峰峰值)

表4 VDD = 3.3 V时,BL1090C24/BL1090S24有效分辨率(无噪声分辨率)

应用建议

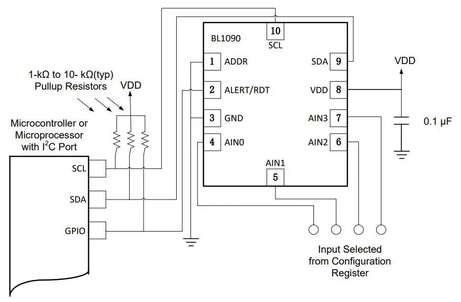
BL1090C16/BL1090C24器件标准连接
布局建议

1.模拟和数字信号分离。
2.用铺地填充信号层上的空白区域。
3.提供良好的地平面返回路径。
4.在电源上使用旁路电容,以降低高频噪声。
5.具有差分连接的模拟输入必须跨接一个电容器。
文章来源:上海贝岭