产品概述
在开发智能硬件或嵌入式系统时,你是否遇到过这样的问题:主控芯片的GPIO(通用输入输出)引脚不够用?按键、传感器、LED、显示屏…外设越来越多,资源却捉襟见肘。今天为大家介绍一种硬件设计的“神器”—GPIO扩展IC,低成本实现引脚扩展。
力芯微推出的这款经典8位I2C GPIO扩展芯片ET6408,支持1.65~5.5V电平转换,对于系统设计来讲可以体现以下几点优势:
1. 成本优化:无需升级高价主控,低成本芯片解决引脚短缺问题。 2. 简化设计:减少PCB布线复杂度,尤其适合空间紧凑的产品。 3. 灵活配置:支持输入/输出模式切换,具备中断功能。 4. 低功耗:专为扩展设计的芯片,功耗远低于额外MCU方案。
产品特性
8bit GPIO扩展
工作电压范围:1.65V to 5.5V
支持双向电平转换
极低的静态电流损耗:
典型值1.5uA@VDDP=5V;
典型值 1.0uA@VDDP=3.3V
IO输入/输出独立可配
硬件复位输入信号,低电平有效
400 KHz 快速模式(Fast-mode)I2C总线,2个I2C拓展地址
输出具有推挽和开漏方式
上下拉电阻配置
SCL/SDA 输入端口噪声滤波
GPIO端口最大驱动能力 25mA,直接驱动 LED
封装形式:
BGA16(1.6mm x 1.6mm);
TSSOP16(width 4.4mm );
QFN16 (3mm×3mm)
管脚定义

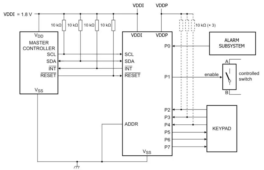
典型应用

来源:力芯微电子