跳转到主要内容
--## 电子创新网图库均出自电子创新网,版权归属电子创新网,欢迎其他网站、自媒体使用,使用时请注明“图片来自电子创新网图库”,不过本图库图片仅限于网络文章使用,不得用于其他用途,否则我们保留追诉侵权的权利。 ##--

本网站转载的所有的文章、图片、音频视频文件等资料的版权归版权所有人所有,本站采用的非本站原创文章及图片等内容无法一一联系确认版权者。如果本网所选内容的文章作者及编辑认为其作品不宜公开自由传播,或不应无偿使用,请及时通过电子邮件或电话通知我们,以迅速采取适当措施,避免给双方造成不必要的经济损失。
judy 提交于

作者:意法半导体:Giuseppe Aiello、Dario Patti、Francesco Gennaro、Domenico Nardo

摘要

本文围绕基于SiC分立器件和功率模块的功率因数校正器(PFC)级,分析并比较了二者在车载充电器(OBC)应用中的性能。热性能因素考量和无源元件设计是当今主流的研究课题。本文详述了在不同运行条件下,分立和功率模块的设计约束,同时阐明了相关理论和分析评估,突出了二者在实际OBC设计中的优缺点。借助功率损耗估算工具以及无源元件和热管理系统的物理硬件设计,本文对三相两电平PFC转换器进行了评估。最终的实验验证采用了两个不同的功率平台,两平台均基于6开关PFC级,分别使用高度集成的新型SiC MOSFET功率模块或分立SiC器件(采用HiP247封装)。

引言

电动汽车的普及和充电时间的缩短对车载充电器(OBC)的设计提出了更多挑战。为保证成功设计,尺寸、重量及功率转换效率均已成为关键要素。随着OBC功率水平的提高,以及轻量化紧凑型系统的发展,功率半导体将目光投向了碳化硅(SiC)和氮化镓(GaN)等新型材料。

为满足这些新的要求,功率器件和封装技术都经历了重大的变革。在此基础上,传统的硅器件也逐渐被宽禁带(WBG)技术器件所取代。此外,为满足高功率密度的需求,支持顶部冷却的表面贴装器件(SMD)和功率模块等创新封装也势在必行。

OBC的PFC级

为了在遵守电能质量监管标准的同时追求能效,行业选择在电动汽车(EV)车载充电器(OBC)中集成功率因数校正器(PFC)级(图1)。PFC级的主要功能在于提高系统的功率因数——这是衡量输入功率转化为有用功输出的重要指标。高功率因数体现了对电力的有效利用。从电网中获得的电力大多以最小的无功功率转换为实际功率,而无功功率不执行任何有用功,反映的是电网上的额外负载和相关损耗。

为PFC级选择合适的拓扑结构需考虑多个方面,其中重点关注的是电能质量规范和效率。根据[1-4],多电平拓扑(如T型配置)是高功率解决方案和高开关频率操作的理想选择,而两电平转换器则是当前最常用于三相OBC PFC设计的拓扑结构。得益于其优越的性价比以及高热性能的SiC封装,两电平拓扑结构拥有更加出色的简便性,能为功率密度优化提供可行的解决方案。

图1. OBC的典型架构,主要关注PFC级.png

图1. OBC的典型架构,主要关注PFC级

PFC级还有助于改善OBC和车辆电池系统的寿命和可靠性。PFC级能够确保充电器在低电气噪声和谐波下运行,防止OBC电气元件承受过大压力,从而降低过早失效的风险。如此优越的可靠性对电动汽车而言至关重要,因为OBC是车辆日常运行和整体用户体验不可或缺的一部分。

此外,PFC级在先进OBC的双向功率流能力中发挥着重要作用,不仅能为电动汽车的电池充电,还可在“车联网”(V2G)或“车联家”(V2H)的场景中将电力反馈给电网或为家庭供电。

总而言之,OBC的PFC级是优化电网功耗的关键一环,可保证充电过程的高效性,并减少其对电力系统基础设施的影响。

随着电动汽车的不断普及,PFC级在OBC中的作用将变得愈加重要,并为电动汽车生态系统的性能和可持续性奠定坚实的基础。

分立和功率模块封装

两电平拓扑结构(如图2所示)因其简便性、出色的性能和较少的元件数量而被广泛应用于OBC PFC级,可有效节省空间和成本。

两电平拓扑控制方案的优势之一在于其简便性,这也使之能够作为一款稳健、直接的解决方案而广受OBC设计的青睐。然而,两电平系统也存在一定的局限性,这在处理更高功率水平时尤为明显。由于开关上的电压应力等于直流链路电压,因此有必要提高元件的额定电压,但此举也会增加导通损耗,带来更高的成本和更低的效率。

相比之下,三电平拓扑(其T型配置如图3所示)提供了丰富的增强功能,尤其适配需要更高功率和效率的应用。通过增加额外电压,三电平拓扑可将各开关上的电压应力减半,允许使用额定电压较低的元件,以实现更加快速的切换,减少能量损失[2],如图4所示。如图5和图6所示,本文通过比较分立和功率模块,重点讨论了标准两电平PFC的实现。

第一项对比涉及两类封装的物理尺寸,如表1和表2所示。

首先是单个器件的面积,本文计算并比较了不同封装DMT-32和HiP247在PCB上所占的总空间,从中显示出功率模块的明显优势。

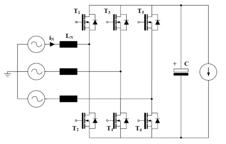
图2. 两电平三相B6 PFC.png

图2. 两电平三相B6 PFC

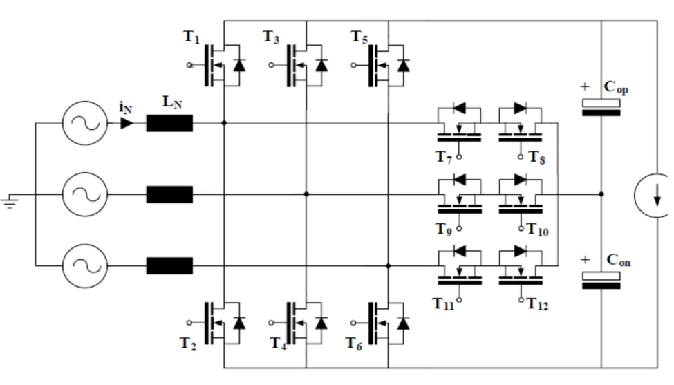
图3. 多电平T型PFC.png

图3. 多电平T型PFC

图4. 2L-B6和3L-TType之间的开关损耗比较.png

图4. 2L-B6和3L-TType之间的开关损耗比较

图5. HiP247,分立封装.png

图5. HiP247,分立封装

图6. DMT-32集成式功率模块.png

图6. DMT-32集成式功率模块,具有全桥配置

表1. 分立器件方案和功率模块的物理尺寸.png

表1. 分立器件方案和功率模块的物理尺寸

表2. 不同拓扑所占用的体积.png

表2. 不同拓扑所占用的体积(考虑封装尺寸)

分析和实验结果

在设计PFC转换器时必须考虑多个方面,尤其是尺寸和成本限制。其中PFC扼流圈和散热器的尺寸和成本是关键因素。电感器尺寸的缩减通常是通过增加开关频率来实现的,但此举也会增加开关损耗。本文在整体系统的尺寸和成本方面对分立和功率模块进行了比较。为估算PFC扼流圈尺寸和功率损耗,文中考虑了两个开关频率值。根据基于表3所述规范的PFC设计,将开关频率加倍,即可减少50%的PFC扼流圈体积(如图7和图8所示),从而在构建材料不变的情况下节省成本。然而,更高的工作频率会增加功率损失,因此需要更大的散热器,尤其是对于HiP247而言。

表3. PFC设计规范.png

表3. PFC设计规范

图7. 70kHz PFC扼流圈设计.png

图7. 70kHz PFC扼流圈设计

图8. 140kHz PFC扼流圈设计.png

图8. 140kHz PFC扼流圈设计

对于集成式功率模块,绝缘的散热表面可提供更佳的热管理,允许在相同频率下减小25%的散热器尺寸,或实现更高的开关频率和更低的热耗散。相关系统的热模型如图9和图10所示。

图9. HiP247封装的热网络.png

图9. HiP247封装的热网络

图10. 集成式功率模块的热网络.png

图10. 集成式功率模块的热网络

利用两个不同的硬件平台进行实现和实验评估,从而评估对热性能和电能质量的额外影响。两个平台均基于SiC功率器件,并由用于数字功率转换的同一算法(在32位微控制器上实现)加以控制。

图11和图12显示了用于评估研究的原型。

表4. OBC双向PFC级规范.png

 表4. OBC双向PFC级规范

图11. 基于HiP247 SiC器件的15kW PFC参考设计.png

图11. 基于HiP247 SiC器件的15kW PFC参考设计(用于实验测试)

图12. 基于DMT32 SiC功率模块的11kW OBC参考设计.png

图12. 基于DMT32 SiC功率模块的11kW OBC参考设计(用于实验测试)

结论

本文从OBC应用中的热性能方面出发,阐述了针对分立器件和功率模块的关键评估结果。理论评估结果已在11kW两电平三相PFC中得到验证,用于确定两类模块的电气性能。本文中的主要结果体现了功率模块在提高功率密度和缩减无源元件尺寸方面的优势,同时实现了成本和性能之间的有效平衡。

参考

[1] Azurza, Jon & Zulauf, Grayson & Papamanolis, Panteleimon & Hobi, Simon & Miric, Spasoje& Kolar, Johann, “Three Levels Are Not Enough: Scaling Laws for Multilevel Convert-ers in AC/DC Applications”, IEEE Transactions on Power Electronics. PP. 1-1.10.1109/TPEL.2020.3018857.

[2] Schweizer, Mario & Friedli, Thomas & Kolar, Johann., “Comparative Evaluation of Advanced Three-Phase Three-Level In-verter/Converter Topologies Against Two-Level Systems”, IEEE Transactions on Indus-trial Electronics. 60.5515-5527.10.1109/TIE.2012.2233698.

[3] Yapa, Ruchira & Forsyth, Andrew & Todd, Rebecca., “Analysis of SiC Technology in Two-Level and Three-Level Converters for Aero-space Applications.”, 2014.10.1049/cp.2014.0498.

[4] - G. Aiello, F. Gennaro and M. Cacciato., “Ad-vantages of SiC MOSFETs in High Frequency Bidirectional PFC Converters for Industrial Ap-plications”, PCIM Europe digital days 2021;pp. 1-5.

文章来源:意法半导体工业电子

精彩推荐

2026英伟达GTC大会专题

CES 2026(国际消费类电子产品展览会)专题

第四届南渡江智慧医疗与康复产业高峰论坛

第十五届松山湖中国IC创新高峰论坛

第四届滴水湖中国RISC-V产业论坛

Recent comments

  • 1873774516_516738
  • 2460440665_516737
  • 1457585548_516736
  • 780289498_516735
  • 2283262460_516734