本文,DigiKey详细探讨了为不同的应用选择最佳温度传感器的挑战与策略。文章首先指出,传感器技术种类繁多且行业需求差异显著。随后,文章介绍了温度传感器选型时需平衡的多种因素并重点分析了五类传感器的特性与适用场景。文章还通过具体产品案例展示了数字传感器在精准测量和低功耗设计方面的优势。
温度传感器分类
传感器技术种类繁多且行业需求差异化显著,为特定应用选择最佳温度传感器会极具挑战性。然而,许多应用都要求精确读数,因此必须评估现有的各种产品。
进行温度传感器选型时需要平衡多种因素以满足设计要求:准确度、响应时间、通信协议、环境耐受性、功耗、成本及系统集成。传感器通常分为四类模拟电压输出,以及一类数字信号输出:
热电偶:温度范围广,经久耐用,可测量从低温到 +1,800°C 以上的高温。热电偶坚固耐用,可抵御恶劣环境,并能对快速温度变化迅速做出反应,但其准确度和稳定性不如其他传感器,而且需要进行信号调理。热电偶非常适用于钢铁和玻璃生产等重工业,以及高热的家用和商用电器。
电阻式温度检测器 (RTD):具有高准确度和高稳定性,非常适合精确度要求极高的工业自动化和过程控制领域。RTD 通常用于食品和制药行业,在酿造、消毒和炸制等过程中实现严格的温度控制。RTD 可为 HVAC 系统以及培养箱、分析仪器等实验室和医疗设备提供准确的温度测量。与热电偶等替代品相比,RTD 的成本可能比较高,而且由于依赖于细线或薄膜检测元件而比较脆弱。RTD 通常与精密测量电路组合使用,从而增加了设计的复杂性和成本。
热敏电阻:由半导体制成,电阻值随温度变化的电阻器,灵敏度高。温度变化小,电阻变化大,因此能检测到温度的微小波动且分辨率高。热敏电阻体积小、响应速度快、成本低廉,涵盖从微珠到较大型探头的各种规格。热敏电阻适用于温度范围有限的应用,通常在 -50°C 至 150°C 之间。热敏电阻用途广泛,可用于与环境或人体温度相关的医疗设备和消费类电子产品,以及汽车应用、电池管理系统、消费类电器、火灾和烟雾探测等领域。不过,热敏电阻的非线性电阻曲线需要转换公式或查表法将电阻值转换为准确的温度,而且与 RTD 相比,热敏电阻可能会随时间发生漂移。
二极管温度传感器:响应速度快,体积比其他三种模拟传感器小,可方便地连接微控制器、模数转换器 (ADC) 和专用集成电路 (ASIC)。二极管温度传感器性价比高,温度范围限定在 -55°C 至 +150°C 之间,可广泛应用于消费电子、工业自动化、数据中心存储系统、汽车等众多领域。这种传感器的准确度低于 RTD,易受系统噪声影响,而且通常需要校准以确保不同设备之间的读数一致。
数字温度传感器:一种用于测量温度并直接提供数字输出集成电路 (IC),通常通过如 SMBus、I²C、SPI 或 1-Wire 等标准通信协议传输数据。数字传感器无需像模拟传感器那样依赖外部信号调理、放大和模数转换。
选型原则
选择合适的温度传感器需要在准确度、响应时间、耐用性和成本之间进行权衡,也可按照特定的行业要求,选择合适的组件。
在温度传感器选型过程中,应用所处的工作环境具有至关重要的作用。恶劣环境下,需要热电偶或涂层 RTD 等坚固耐用的传感器,而热敏电阻或半导体传感器则更适合受控环境。成本和能否扩展也是批量生产需要考虑的因素——热敏电阻经济实惠,而 RTD 和高端热电偶则具有长期稳定性。
设计人员对准确度与实用性的取舍同样是选型的关键。RTD 的精度高,但价格昂贵;热电偶用途很广泛,但准确度较低。响应时间和位置同样是关键——热电偶和热敏电阻等轻小型传感器的响应速度都很快,但安装位置可能会影响性能。
传感器及其相关电路的成本会极大地影响选型,在消费类产品或大批量生产中尤为突出。不同类型传感器的成本差异很大。模拟传感器需要进行信号调节,而数字传感器可简化集成。减少模拟电路和校准工作可以最大限度地降低总成本,即使选择成本略高的数字传感器也是合理的。
数字传感器及其特性
数字传感器在内部转换模拟信号,并以数字流形式传输数据,通常具有更好的抗噪能力,并能进行更复杂的数据处理。Analog Devices, Inc. (ADI) 提供广泛的模拟和数字温度传感器产品组合,设计人员应仔细评估哪种产品最符合其应用需求。下面简要介绍一些数字传感器。
如果需要精准的温度读数,准确性可能是最重要的选型因素。ADI 的 MAX31888 数字传感器在 -20°C 至 +105°C 范围内具有 ±0.25°C 的精确度,可通过 1-Wire 总线与微控制器通信,从而实现高精密度温度监控电路(图 1)。每个 MAX31888 都有自己独一无二的 64 位注册编号,用作多点单线网络中的节点地址。

图 1:使用 MAX31888 温度传感器的典型应用电路。(图片来源:Analog Devices, Inc.)
MAX31888仅使用一条数据线进行通信,可直接从该数据线获得寄生电源,而无需外部电源。使用外部电源时,其电压范围为 1.7 V 至 3.6 V,且测量期间的电流消耗仅为 68 μA。
在设计小型电池供电设备时,功耗和尺寸应该是最令人担忧的问题。针对可穿戴设备等应用,ADI 的 MAX31875 器件(如 MAX31875R0TZS+T(图 2))以 0.84 mm x 0.84 mm x 0.35 mm 超小封装实现了低供电电流和 ±1°C 温度测量准确度。

图 2:MAX31875R0TZS+T 的外形。(图片来源:Analog Devices, Inc.)
MAX31875系列采用兼容 I2C/SMBus 的串行接口,可使用标准的写字节、读字节、发送字节和接收字节命令来读取温度数据,并在典型电路中配置传感器参数(图 3)。该系列使用 <10 μA 的平均电源电流,可测量范围为 -50°C 至 +150°C。

图 3:使用 MAX31875 数字温度传感器的应用电路。(图片来源:Analog Devices, Inc.)
ADI 还提供用于精密测量热二极管温度并将其转换为数字格式的集成电路,以取代传统的热敏电阻或热电偶。这些远程二极管传感器可测量外部 PN 结的温度,如 CPU、GPU、fpga 和 ASIC 中内置的热二极管。MAX6654MEE+T 可测量一个热二极管。对于 2、3、4 和 8 通道应用,还可选择其他传感器。
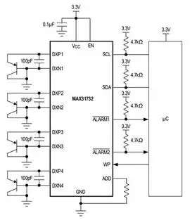
通过适当的内部和外部滤波,远程二极管传感器可广泛应用于电噪声环境。MAX31732ATG+T 是一款 4 通道温度传感器,可监测自身温度并同步监测多达四个外部二极管连接晶体管的温度(图 4)。

图 4:ADI 的 MAX31732 可监控多达四个外部二极管连接晶体管的温度,如该应用电路所示。(图片来源:Analog Devices, Inc.)
MAX31732传感器无需任何特殊软件或固件即可为其设置温度阈值。双线串行接口可用于监控温度和修改温度阈值。
总结
找到最佳的温度传感器可确保应用具有更好的性能、可靠性和成本效益。选型时会受到一系列因素的影响,包括特定行业的要求和标准,以及成本与性能之间的权衡。ADI 的数字温度传感器产品组合可提供满足各种应用需求的解决方案。
文章来源:Digikey









