作者:JJ Delisle,来源:贸泽电子
工业控制与网络应用主要依赖4mA-20mA和现场总线连接技术,并采用专有技术来满足更高速或更专业的性能应用场景。该方案曾长期为许多工业应用提供着良好的服务,直至近年工业物联网(IIoT)与数据驱动型应用的兴起,将传感器、执行器及控制器的设备密度与性能标准推向历史新高。
工业物联网应用的新功能与应用场景,很大程度上受限于现场总线网络10Mbps的速率上限,日益增长的需求促使人们采用其他工业网络技术来填补这一空白。采用单对以太网(SPE)的10Base-T1L技术,有望成为众多需要更高数据速率的4mA-20mA及现场总线系统的替代方案。它还具备供电功能及一系列其他优势特性。当然,新技术也意味着对共模扼流圈 (CMC)、隔离电感器和差模电感器(DMI)有不同的组件要求。
本文探讨了10Base-T1L与SPE在工业领域的应用,以及这种组合如何显著提升工业网络性能,并释放IIoT技术的潜力。此外,我们还将分析10Base-T1L和SPE实现方案的参考设计及组件要求。
以太网和10Base-T1L

表1:10Base-T1L和SPoE的IEEE 802.3 cg功率等级
(图源:EPCOS / TDK)
SPE是IEEE 802.3定义的有线通信标准,可将基础以太网标准有效转换为单对双绞线传输。数据线供电(PoDL)标准通过在通信线路上同时传输电力,极大限度减少供电与通信所需的布线数量。10Base-T1L在工业应用中可实现1000米内10Mbps传输速率,在汽车或航空应用中则支持15米传输距离。该标准由IEEE 802.3cg定义,具备0.1至20MHz的带宽能力。
PoDL初时针对汽车及类似应用场景进行优化,而以太网供电(PoE)则被用于普通以太网应用。根据IEEE 802.3标准第104条规定,PoDL扩展至支持10Base-T1S/T1L标准,并涵盖SPoE 10至15级供电功率等级,主要应用于楼宇自动化及工业网络系统。SPoE功率等级专为运营技术(OT)网络(如IIoT网络)设计。其定义了10、11、12三类功率等级,分别适用于采用20、24或30VDC的长、中、短距离电缆。此外还定义了13、14、15类,分别适用于采用50、55、58VDC的远、中、短距离电缆。SPoE没有像PoDL那样的稳压或非稳压功率等级,因此可以提供1.23W至52W的功率(见表1)。
从本质上讲,工业以太网和商业以太网采用的是相同的协议。然而,它们所采用的通信硬件却完全不同,工业以太网更倾向于使用更坚固耐用的硬件,这些硬件针对极端环境进行了更好的优化,并考虑到了可靠性、耐化学性、耐火性、高/低工作温度范围以及其他因素。在许多情况下,商用以太网硬件的使用寿命有限,而且由于工业环境的特性,可能会出现早期故障,因此不适合工业以太网应用。
此外,诸如10Base-T1L等技术专为汽车、工业及楼宇自动化应用设计,与商用以太网相比,支持的一组硬件选项更适合这些环境用例。商业以太网安装倾向于在整个设施的IT网络硬件中运行高速以太网电缆,而工业应用则更倾向于使用PoDL/SPoE运行紧凑型SPE,以极大限度地减少电缆体积,并在不增加过多、不必要布线的情况下提升与传统布线基础设施的兼容性。幸运的是,10Base-T1L SPoE系统可为传感器、执行器或控制硬件提供从设备到云端的IT/OT连接和电源。
实施情况
要实现10Base-T1L SPoE,至少需要使用共模扼流圈(CMC),但根据具体应用需求,可能还需要差模电感器(DMI)和电隔离变压器。若应用仅需在控制收发器与终端设备间传输数据,则需在双绞线与PHY/LPF控制器之间配置CMC。若需在同一双绞线上传输电源与数据,则还需添加差模电感器(DMI)将供电设备(PSE)的VCC与GND单端线路桥接到双绞线上,并在CMC之前。在可能存在重大安全隐患的情况下,通常需要进行电隔离。为此,需要在PHY/LPF与控制和终端设备硬件的下游电路之间增加一个隔离变压器。
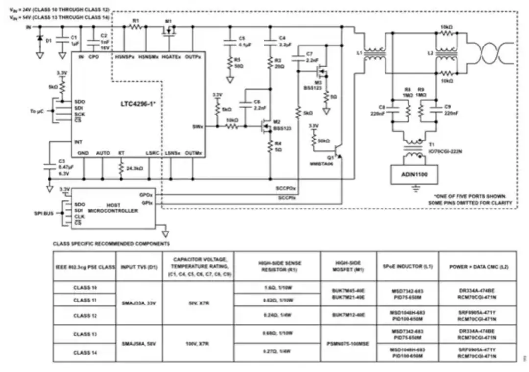
图1显示了在符合802.3cg标准的电路中,针对10-14类应用场景,DMI和CMC组件的极佳放置位置。该参考方案的电源与数据通过电源耦合网络(PCN)在介质相关接口(MDI)处耦合。直流电源通过DMI耦合至SPoE线路,如图2中的L1位置所示。图2中L2位置的CMC在MDI端提供共模阻断功能。DMI(L1)和CMC(L2)值的选择对于满足IEEE 802.3cg中列出的功率等级的回波损耗、模式转换和衰减要求非常重要。

图1:10Base-T1L SPoE框图,展示了差模电感器(DMI)、共模扼流圈(CMC)及电隔离变压器(如需)在工业SPE应用中的布局位置(图源:EPCOS / TDK)

图2:LTC4296-1 802.3cg 10类至14类参考设计,以及针对各种功率等级推荐的SPoE电感器和电源+数据共模扼流圈(图源:Analog Devices)
据制造商称,对于10Base-T1L SPoE的10至14类应用,推荐采用图2所示方案:使用PHY端PCN拓扑结构,通过CMC (L2) PHY端的DMI(L1)注入电源。此方案可实现电源与数据同时通过CMC传输。
对于15类应用,建议通过DMI在线路侧注入电源,并为电源和数据路径提供单独的CMC。EPCOS/TDK工业级单电源以太网(SPE)电感器完美契合此类应用需求,推荐用于SPoE PSE控制器应用。
这些工业级SPE电感器专为工业SPE应用设计,具备符合规范的电流、电压及电感参数,同时符合ROHS标准,工作温度范围为-40°C至+125°C。EPCOS/TDK提供专为工业SPE/SPOE应用制造的RCM70CGI-471 CMC、ICI70CGI隔离电感器和PID SMD功率电感器。
结语
随着工业自动化向需要更高功率并兼容局域网和云端的高数据速率设备扩展,对工业以太网解决方案的需求愈发迫切,以便为众多新兴的IIoT设备提供数据传输和供电。10Base-T1L不仅支持更高数据速率、数据线供电功能,更具备超越传统及商用以太网解决方案的附加特性,成为了替代传统4mA-20mA及现场总线连接的首选方案。









