近日,国内领先的车规SoC芯片厂商上海泰矽微(Tinychip Micro)宣布推出TClux 系列车规多通道LED驱动芯片TCPL07/08/17/18,全面覆盖汽车多通道LED照明应用场景。

泰矽微TClux系列集成了MCU内核、Flash、SRAM、LIN收发器、CAN收发器,同步整流Buck控制器,低压Boost调节器以及多通道LED恒流驱动模块等,全面覆盖包括RGB面光源,流水氛围灯,格栅灯,日行/位置/转向/迎宾信号灯,贯穿尾灯,智慧灯语等各类汽车照明应用。TClux凭借出色的产品定义,独特的主动式降功耗专利技术和极致的性价比,以及“一”替“多”的碾压式优势,全面超越现有市面产品,成为多通道LED驱动芯片的首选。
TClux系列芯片的基本配置如下:
3.6 V - 18 V 工作电压输入范围,40V 抛负载电压
72MHz主频 Cotex-M0内核
128KB ECC Flash,16KB ECC SRAM
14Bit ADC
同步整流Buck 控制器,输出电流通过外部MOSFET 灵活配置
5V 输出同步整流Boost,降低芯片内部LDO功耗 最低输入电压低至3.6V
高精度LED温度检测电路,用于RGB精确的颜色和亮度显示
最多30路低压恒流驱动输出,维持恒流输出的压降仅需0.3V
支持115Kbps 高速LIN PHY或3Mbps CAN PHY
完善的诊断功能,支持Limp Home 模式,符合ASIL B 功能安全要求
AEC-Q100 Grade 1
6mmx6mm QFN48封装
TClux系列芯片首发包括如下几个具体型号:TCPL07,TCPL08,TCPL17A,TCPL17B,TCPL18,参数对比如下:

TClux系列产品优势:
电源效率更高,温升更低
先进的主动降功耗专利技术和电源架构,芯片内部的功率消耗比现有市面产品低50%以上,极大降低了芯片温升,提高了输出能力,单芯片最大可输出总计3A驱动电流。
单芯片支持更多LED通道
单芯片最多可支持48个RGB灯珠或者240个单色LED灯珠,实现极致性价比的“一”替“多”,替代2颗甚至更多颗同类芯片。
性价比反向超越Smart LED
按照单灯珠驱动成本来计算,比对替代产品如Smart LED,单位成本低20%以上,实现了对Smart LED的反向超越。且无需外加控制器。
更高刷新率
72MHz主频可支持更高灯珠刷新频率,有利于多灯珠应用的面光源整体刷新速度。
典型应用场景
6分时实现48个RGB LED灯珠驱动控制的流水氛围灯应用:

低压输入供电,驱动多颗LED,输入电压可低至3.6V,显著降低多路恒流源驱动功耗:

15分时实现240路单色LED驱动的智慧灯语应用:

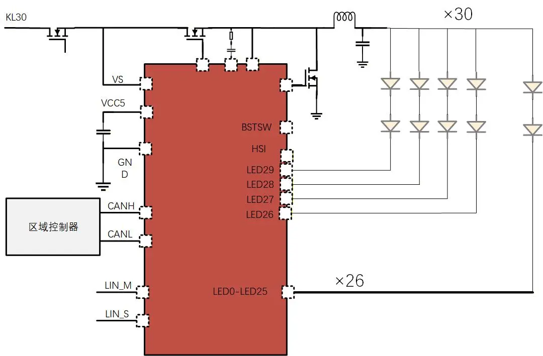
尾灯或格栅灯应用,Buck模式下支持每通道两颗串联LED应用,单芯片最多驱动60颗100mA电流LED灯:

生态、工具和技术支持
泰矽微已开放针对TClux系列芯片的评估、测试及生产的软硬件平台和各类工具,提供一站式服务,欢迎通过sales@tinychip.com.cn索取详细资料和信息。

图 1 TClux系列芯片评估版
文章来源:泰矽微