在上期中,我们探讨了优化放大器电路中的输入和输出瞬态稳定时间。
本期,为大家带来的是《用于窄带匹配高速射频 ADC 的全新方法》,介绍了一种用于窄带匹配高速射频 ADC 的全新方法,以解决高中间频率系统中 ADC 前端窄带匹配的设计难题,可在 ADC 额定带宽内应用,能提升 ADC 性能、减少模拟停机时间。
引言
对于不需要宽带采样(1GHz 至 2GHz 或更高)的应用,使用平衡-不平衡转换器或变压器前端电路为模数转换器 (ADC) 设计窄带 (NB) 匹配(只需要数百兆赫)可能存在挑战性。这一挑战在具有高中间频率的系统中被放大,而高中间频率在现代通信或雷达系统中被数字化,以在数字域中执行信号处理。
在本文中,将介绍一个简单的过程,从而更大限度地提高 ADC 而不会出现大量模拟停机时间。只需几个简单的步骤,该过程即可在任何基带或中频位置解决数百兆赫带宽 (BW) 问题。只要它位于 ADC 自身的额定带宽范围内即可。
选择 ADC 和平衡-非平衡变压器
在选择合适的 ADC 类型和最终确定前端开发方法时,提前了解应用要求至关重要。假设有一个定义的采样率、通道数、数字输出接口类型和有用的内部数字功能,您可以使用这些功能,或者这些功能是应用所必需的。我将在此窄带前端示例中使用 ADC3669 转换器。
首先,您必须首先了解所选 ADC 的模拟输入特性。如果向下滚动到任何转换器数据表的模拟输入参数部分,您应该会看到规格表中指定的并联 R||C。如果没有,请检查是否存在简化的模拟输入模型。最后一个选项是使用 ADC 的 S 参数,这些参数通常会在产品网页上列出。例如,ADC3669 数据表列出了模型输入,其中电阻器 (R)= 100Ω 且电容器 (C) 约为 1.85pF(聚合)差分阻抗项。请参阅图 1.

图 1 ADC3669 数据表中的模拟输入模型
下一步是为 ADC 选择合适的变压器或平衡-非平衡变压器,包括在供应商之间比较这些规格:回波损耗 (RL)、插入损耗以及相位和幅度不平衡。如果数据表中未指定这些参数,请咨询制造商或使用矢量网络分析器或 VNA 测量这些参数。
在标准磁通耦合变压器或平衡-非平衡变压器之间进行选择将取决于 BW 要求。标准变压器通常低于 1GHz,而平衡-非平衡变压器可以实现更高的 BW。参考文献 [1] 详细介绍了变压器和平衡-非平衡变压器参数和 ADC 要求。
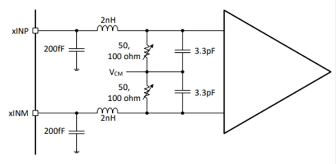
对于 NB 匹配,示例需要与最后一个并联元件进行无功电阻器-电容器-电感器 (RCL) 匹配;有关匹配焊盘和拓扑的信息,请参阅图 2 和参考文献 [2] 和 [3]。通过收集并了解应用要求,您可以选择前端 BW 和平衡-非平衡变压器。例如,在从 ADC3669 评估模块 (EVM) 上使用的先前示例中测量并了解了该平衡-非平衡变压器的性能后,我从阻抗比为 1:2、BW 为 3GHz 的微型电路中选择了 TCM2-33WX+ 平衡-非平衡变压器。TCM2-33WX+ 提供相对较低的输入驱动能力,从而达到 ADC 的满量程输入范围。

图 2 前端接口及元件放置
求解 R
要进行 RCL 反应性匹配,首先要确定前端的 R 值。您可以将终端拆分在平衡-非平衡变压器的初级侧和次级侧之间,但在此示例中,我们只端接平衡-非平衡变压器的次级侧,以便尽可能减少所需的元件数量。根据应用和信号链阵容,平衡-非平衡变压器初级侧和次级侧之间的分裂端接可能更合理。
如下所示,计算揭示了如何求解 R 值,从而完成平衡-非平衡变压器次级侧所需的差分端接。设置次级差分端接的一个良好起点是使用理想情况 100Ω,因为该平衡-非平衡变压器具有 1:2 的阻抗比。平衡-非平衡变压器确实具有随频率变化的损耗和寄生效应。因此,为了开始计算并获得更合适的 R 值端接,请使用平衡-非平衡变压器在指定中心频率(示例中为 940MHz)下的 RL 数来计算平衡-非平衡变压器需要正确匹配的特性阻抗 (Zo),从而优化到负载的信号功率传输。
该示例说明了如何计算所选平衡-非平衡变压器的次级端接。TCM2-33WX+ 数据表指定 940MHz 处为 -16.3dB。使用该值,求解从平衡-非平衡变压器次级侧反射的特性阻抗(公式 1):

方程式 1
因此,Zo = 36.72Ω(初级阻抗)。
在理想的 1:2 阻抗平衡-非平衡变压器中,次级侧的 100Ω 应与初级侧的 50Ω 相等;请参阅图 3。但实际情况并非如此,如计算中所示。要确定反射回初级侧的实际阻抗,请使用上一步中的 Zo 值,然后反向计算以在次级侧获得正确的端接(公式 2):

方程式 2
因此,

其中求解 X = 136.1Ω。

图 3 1:2 阻抗平衡-非平衡变压器或变压器
由于平衡-非平衡变压器在该频率下具有一些无法计算的损耗,因此 136Ω 次级端接有助于补偿这些损耗,并从次级侧开始提供更好的端接值,同时向平衡-非平衡变压器初级侧反射回到该特定中间中心频率下的正确阻抗。适当的阻抗匹配将在初级侧实现更接近的 50Ω 匹配,从而产生从源传输的最大信号功率。
136Ω 次级终端是一个聚合终端。由于 ADC 本身在内部已经有 100Ω 差分终端,因此请在次级的每一侧放置一个串联 33Ω 电阻器。再次查看图 2。现在您已求解出所需 R 值。
940MHz 处的 -16dB RL 可能允许您使用更小的电阻值,或者可能完全消除这些值。但是,我建议在设计中保留电阻器,因为 ADC 的内部差分阻抗相对于工艺变化具有 ±10% 的容差范围;平衡-非平衡变压器的 RL 也有容差。添加少量的额外电阻有助于使总体阻抗保持更准确,正如您在仔细查看 940MHz 处的 ADC S 参数值时会注意到的那样。
求解 L
下一步是“抵消”ADC 的内部 C,以确定匹配的等效并联电感器或 L 值。要选择该值,首先使用以下两种方法之一找到 ADC 的内部 C 值:
使用数据表中给出的 ADC 模型(图 1)来确定总寄生内部前端电容或 C 值,估算值约为 1.85pF。
使用 ADC3669 网页中的 S 参数。参阅参考资料 [4]。
第二种方法在目标频率下提供更精确的电容值,因为与第一种方法相比,940MHz 处的电容值具有更强的绝对性,其中模型中的 C 值覆盖 ADC 输入 BW 的整个范围。让我们回顾一下这两种方法,以便了解它们之间的利弊。
在这两种方法中,思路都是简单地将两个无功元件设置为相等(公式 3):

方程式 3
接下来,将 f 设置为 NB 应用的谐振中心频率。在示例中,我将使用 940MHz。
在第一种方法中,如果 f = 940MHz,

方程式 4
然后,求解 L = 15.5nH。
在第二种方法中,您需要使用 S 参数并将其绘制在模拟器中,以确定 940MHz 处的 C 值;请参阅图 4。

图 4 940MHz 处 ADC3669 模拟输入的史密斯圆图
第二种方法更复杂一点;史密斯圆图绘制了串联 R + jXc 配置中的 S 参数。R + jXc 需要并联变换,以便 R 和 Xc 并联、或 R||Xc。请参阅图 5 和公式 4:

方程式 5
使用公式 5 可得到并联变换:

方程式 6
回顾上一节中用于设置 R 值的两个充气的 33Ω 电阻器,可将平衡-非平衡变压器看到的总电阻端接连接到 130.2Ω,该端接更接近 100Ω 差分,理想情况下平衡-非平衡变压器的 R 值更小或没有 R 值。
接下来,求解 940MHz 处的并联电容器,请参阅公式 6:

方程式 7
现在,使用与上述相同的公式来找到合适的分流电阻 L 值。如果 f = 940MHz、C = 1.62pF,则

求解 L = 18.1nH。

图 5 ADC 内部 R 和 C 系列并联表示
通过上述两种方法得出的这两个 C 值(例如:1.85pF 及 1.62pF)大致相同;因此、需要根据布局考虑内部电感 L 寄生效应以及添加的外部 L 寄生效应。
也可以使用 TCM2-33WX+ 平衡-非平衡变压器和 ADC3669 的 S 参数对 ADS 模拟器封装中的整个前端进行模拟,如图 6 所示。图 7 中显示的模拟结果显示出非常好的 RL (<–15dB),这表明 18nH 在 940MHz 下是很好的匹配。

图 6 18nH 分流匹配的 ADS 模拟前端升压

图 7 18nH 分流器匹配响应的模拟 RL (S11) 图
接下来,我们将模拟结果与实验室中的一些测量数据进行比较。图 8 说明了如何使用 ADC3669 EVM 来实现前端匹配,以测量通带平坦度响应。谐振点处于中心位置,但匹配的宽带度比预期高一些。在这种情况下,模拟可能不够充分。3D 电磁模拟求解器或许能够捕获所有电路板寄生效应,从而在模拟和实验室测量之间获得更接近的 1:1 匹配。但是,有一些二阶和三阶的细微差别需要揭示。接下来,我们将添加一个分流器 C 来完成 RCL 无功匹配,从而使实验室测量范围按预期缩小。

图 8 安装 L 值之后的通带平坦度扫描
求解 C
为了进一步改善窄带宽度匹配(换言之,使其更窄),请在图 2 中的 RCL 反应匹配中添加最后一个分量。将 C 项与电感器并联,从而形成 LC 谐振回路。在放置 18nH 电感器以对抗 ADC 的内部电容后将电容添加回前端匹配项似乎违反直觉,但会使滤波器紧密匹配。要求解并联 C 值以使 LC 振荡电路完整,请使用公式 7:

方程式 8
求解 C = 1.6pF。
让我们在前端设计中设置该值(1.6pF 电容器或最接近的标准值),然后重新运行通带 BW 扫描;请参阅图 9。

图 9 通带平坦度扫描并安装 L 及 C 值
可以看出,增加与 18nH 电感器并联的额外 1.5pF 电容器,形成 LC 振荡电路之后,无法真正改善或缩小匹配范围(请参阅迷你虚线曲线)。
可以使用 LC 振荡电路方法,但需要考虑一些因素。通过求解外部 L 值 (18nH) 来移除内部 C 会有所帮助,但可能不会完全成为最终解决方案。为了准确地实现这一点,您需要使用更大的 C 值来完全消除任何内部和残留的外部 C 寄生效应。您要处理平衡-非平衡变压器和布线寄生效应以及 ADC 内部采样电容器的影响,该电容器在采样开关快速断开和闭合时本质上是动态的。
我们再次使用公式 7 为 C 选择较高的值(例如 9.1pF),重新求解 L in:

方程式 9
求解 L = 3nH。
使用这些值代替前端设计,图 10 展示了重新运行通带 BW 扫描后的结果。

图 10 通带平坦度扫描并安装新的 L 及 C 值
如您所见,通过增加外部 C 来进一步改善 NB 匹配响应,将带宽匹配缩小到 350MHz 宽范围(粗虚线曲线)有了显著改善。通常,最好先根据聚合 ADC 的内部采样网络使用至少两倍的 C 值,作为一个良好的起点。在外部添加此项仅会进一步改善选择频段中的 RL。
然后,您可以调整 L 值和/或 C 值,以帮助增大、缩小或移动满足您的应用所需的 BW。对于布局、平衡-非平衡变压器和 ADC 输入模型,您需要记住这些值;无法对所有寄生细微差别进行模拟,为了正确衡量匹配情况、可能需要一些经验。
图 11 说明了通过 NB 应用示例收集的信噪比 (SNR) 以及二阶和三阶谐波(HD2 和 HD3),以进一步验证 ADC 在 940MHz 频带内的性能。

图 11 SNR、HD2 及 HD3 产生的交流性能与 NB 匹配频率范围间的关系
940MHz 的模拟输入中心频率超过 ADC 数据表测量规格。但是,对于所有收集的测量(SNR、HD2 和 HD3),收集的值确实遵循正确的趋势,并且随着此特定 ADC 的输入 RL 降低到 940MHz,性能会继续下降。
结论
在开发与特定高速射频采样 ADC 的窄带匹配应用时,您无需成为专家模拟器。这种 NB 匹配方法可用于帮助增强射频信号链内的任何上行滤波。首先,使用数据表中所选的平衡-非平衡变压器的回波损耗值来解决 NB 匹配工作的电阻部分,从而有助于改善输入前端网络的回波损耗。接下来,使用规格表中 ADC 给定的 S 参数、数据表输入模型或集总元件 R||C 值作为目标频带下 NB 匹配的起点。请记住,平衡-非平衡变压器和 PCB 布局对完成匹配所需的无源器件有所影响。务必将这些考虑在内并作为起点。
通过少量模拟以提供方向和一些简单的数学运算,您可以立即加速下一个高速射频转换器设计。
参考文献
Reeder, Rob.“比较有源和无源高速/射频模数转换器前端。”德州仪器 (TI) 应用手册,文献编号 SLAAET1,2025 年 3 月。
Reeder, Rob.“第 3 dB:为什么有损耗的衰减网络焊盘适用于射频 ADC。”德州仪器 (TI) 应用手册,文献编号 SLVAG01,2025 年 2 月。
Reeder、Rob 及 Luke Allen。“高速模数转换器模拟输入前端无源匹配的精妙技巧。”德州仪器 (TI) 应用手册,文献编号 SBAA665,2024 年 12 月。
德州仪器 (TI)(日期不详)ADC3669 评估模块。访问时间:2025 年 9 月 23 日。
“ADC3668、ADC3669 双通道、16 位、250MSPS 和 500MSPS 模数转换器。”德州仪器 (TI) 数据表,文献编号 SBASAL3B,2024 年 9 月,2025 年修订。
“TCM2-33WX+ 表面贴装射频变压器。”迷你电路数据表、文献编号 ECO-013812。
Keysight Technologies(日期不详)Advanced Design System (ADS) 市场领先的电路设计和模拟软件。访问时间:2025 年 9 月 23 日
文章来源:德州仪器









