圣邦微电子推出SGM41620,一款采用I²C接口,集成了8A开关电容与4A开关模式降压充电器,并内置PD PHY及双通道LED驱动器的单节电池充电管理方案。该器件可应用于手机和平板电脑。
SGM41620将多种强大功能浓缩于一身,堪称电源管理界的集大成者:
双模快充:集成8A开关电容快速充电器与4A开关模式降压充电器,兼顾极速与兼容。
全协议支持:内置USB PD3.1 (PPS) PHY与UFCS PHY,并支持BC1.2协议,无缝兼容各类充电器。
炫彩光效:集成双通道LED驱动器,轻松驱动闪光灯与手电筒。
智能监控:内置10通道12位高精度ADC,实时监测系统每一处细节。
灵活控制:全部功能通过I²C接口可编程,设计灵活度极高。

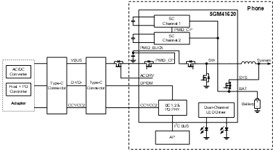
图1 SGM41620简化原理图
芯片内部集成开关电容充电器、降压充电器、LED驱动等模块
极速快充:8A开关电容充电器
面对用户对充电速度的极致追求,SGM41620的开关电容充电器提供了完美方案:
超高效率:在6A快速充电时,效率高达96.5%(VBAT = 4.4V),有效减少热损耗。
模式灵活:支持2:1和1:1快速充电模式,适应不同充电策略。
宽电压范围:输入电压范围宽达3.2V至11V。
多重防护:集成VAC、VBUS、BAT、BATSNS过压保护(OVP),以及IBUS逐周期电流保护。同时具备飞电容(CFLY)短路、电池短路、VBUS短路及VBUS输入范围保护,为安全充电保驾护航。
全能供电:高效率同步降压充电器
作为系统的电源路径管理核心,4A降压充电器表现同样出色:
宽压输入:工作输入电压范围3.9V至13.5V,VBUS引脚可承受高达22V的绝对最大额定电压,无惧电压波动。
精准控制:支持可编程输入电流限制和动态功率管理;支持可编程输入电压限值(VINDPM)及VINDPM随电池电压跟踪功能,优化适配器利用率。
高效能高集成:开关频率1.5MHz,集成15mΩ低阻抗开关,电池放电效率更高。完全集成了开关管、电流检测和补偿电路,外围器件极简。
强大保护:开关MOSFET具备逐周期电流限制。
系统管理:通过电池FET控制,可实现20μA超低漏电流的运输模式、唤醒及全系统复位功能。
高精度调节:充电电压调节精度高达±0.5%(8mV/步进);2A电流下充电电流调节精度为±5%;0.9A电流下输入电流调节精度为±5.5%。
反向升压:支持OTG,可输出高达3.25A的电流,为其他设备供电。
炫彩光效:双通道LED驱动器
为满足手机等设备对拍照补光和指示功能的需求:
大电流驱动:每个通道支持最高1.5A的闪光灯电流和最高500mA的手电筒电流,当两个通道的LED同时工作时,最大总源电流可达2A。
双通道补光:支持两个通道同时工作,实现更大功率的补光效果。
全协议兼容:BC1.2 & USB PD & UFCS PHY
无论用户使用何种充电器,SGM41620都能智能识别并快速握手:
PD3.1 Ready:支持除快速角色交换功能外的USB PD3.1 PPS规范。
智能识别:自动检测线缆插入和方向,并兼容USB BC1.2、SDP、CDP、DCP及各类非标准适配器。
国产快充:集成UFCS PHY(通用快速充电规范),完美适配国内融合快充生态。
智慧之眼:10通道12位ADC
芯片内置的高精度ADC犹如系统的“智慧之眼”,可实时监测VAC、VBUS、IBUS、VBAT、VBATSNS、VSYS、IBAT、TSBUS、TSBAT、TDIE等关键参数,为主机提供详尽的数据支持,以实现更智能、更安全的充电策略管理。

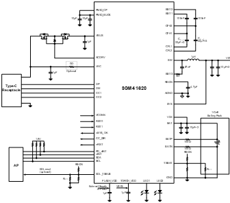
两节电池典型应用电路

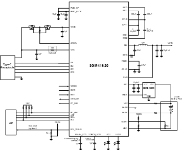
单节电池典型应用电路
图2 SGM41620典型应用电路
SGM41620以其领先的集成度、卓越的快充性能、全面的协议支持和灵活的编程特性,为智能手机、平板电脑及便携式系统提供了一个真正意义上的一站式充电管理解决方案。它不仅简化了设计,提升了产品竞争力,更将为终端用户带来安全、快速、智能的卓越充电体验。
关于圣邦微电子
圣邦微电子(北京)股份有限公司(股票代码300661)作为高性能、高品质综合模拟集成电路供应商,产品覆盖信号链、电源管理、传感器及存储器等领域。公司拥有38大类近7,000款可销售型号,为工业与能源、汽车、网络与计算和消费电子等领域提供各类模拟及混合信号创新解决方案。
来源:圣邦微电子