《实现电动汽车快速充电教程》从技术层面深入探讨驱动下一代电动汽车充电系统的架构设计与相关器件。重点涵盖兆瓦级电动汽车充电技术背后的设计挑战与创新、分立式方案和功率集成模块 (PIM) 方案如何助力构建可扩展、 高效且可靠的快速充电基础设施。我们已经介绍过:
本文将介绍功率因数校正的工作原理、三相有源整流器的优势、三相有源整流器的工作原理等。
功率因数校正 (PFC) 级
电动汽车对快速充电能力的需求不断攀升,坦白说,这种需求十分迫切。预计到2027年,直流快速充电 (DCFC) 市场将以高达30% 的复合年增长率增长。
安森美(onsemi)对该市场的贡献之一是25 kW DCFC参考设计。它将同时适配北美480 VAC三相输入电压标准和欧洲400 VAC三相标准。它将交流电转换为直流电,输出电压范围为50 VDC至1000 VDC,整个范围内均能提供25 kW功率,但针对800 V电池进行了优化。对于低于500 V的电压,该功能块会降低功率,将输出电流限制在50 A,以符合现有电动汽车的直流充电标准,例如CCS和CHAdeMO。
25 kW功能块的有源前端 (AFE) 是一个带功率因数校正 (PFC) 的AC-DC升压转换器。其后方是一个双有源桥DC-DC级,使用两个PIM或两组PIM,在电网和电动汽车电池(负载)之间提供完全隔离,绕过电动汽车的OBC,并调节输出端的电压和电流。这种输电系统可以是双向的,不仅可将多余电力回馈至电网以降低成本,还能利用光伏和电池能源增强电网供电能力。

功率因数校正的工作原理
功率因数校正 (PFC) 是使输出功率尽可能接近输入功率的过程。从数学角度来说,功率因数PF计算如下:

这里,实际功率是指在一个给定周期内,电流和电压瞬时乘积的平均值。同时,视在功率是指电流的均方根值 (rms) 与电压的均方根值的乘积。从这个意义上讲,它体现了实际输出功率与所测电压和电流特性的匹配程度,也就是“感受到的功率”与“仪表上显示的功率”之间的差异。
设想您听到两个人唱两个音符,一个人发出“呜”的声音,另一个人发出“咿”的声音。即使这两个音的音高完全一致,声波的叠加也会产生您能听见的谐波——就像有第三个人与之合唱。当传输干净的电力时,PFC 的作用不仅是将输出波形修整得更顺滑,而且要清除伴生的谐波。

上面这组电源输出演示波形就说明了这一点:输入电压决定波的相位和频率。 但是,当输入电流不匹配时, 谐波就会产生, 使功率波不够纯净, 进而产生失真, 降低PF 值(在这种情况下, 降低至大约 60%) 。 测量发现, PFC一旦应用谐波抑制,相同电流会产生更大的实际功率, 使 PF 更接近100%。
三相有源整流器的优势
任何AC-DC电源转换系统,为了高效、可靠地传输10 kW以上的功率,都需要在前端采用三相PFC拓扑。三相整流器可显著降低电源中的干扰和谐波成分,从而为锂离子电池输送更稳定的电力。(可将PFC理解为提供类似于“高辛烷值燃料”的服务。)
三相PFC提供恒定的直流功率输出,而单相系统则提供可变输出功率,通常需要低频滤波器。SiC MOSFET和二极管的引入,使快速EVC等大功率应用得以实现;得益于更高的击穿电压和更低的开关损耗,功率器件的效率得到了提升。这就为EVC等系统充分发挥三相电的优势铺平了道路。
采用家用120 VAC之类的单相电源输入时,瞬时输出电压和电流始终存在波动。这一特性使得实际系统常常需要使用低频滤波器来达到平衡。
若要将单相系统的功率输出提升至三倍,输电导线的数量也需相应增至三倍:电压相线三根,中性线三根。相比之下,采用平衡的三相电源输入时,每个电压相对于其他两个电压都有±120°的相移。因此,三个电压之和始终为零,从而无需任何中性线。现在三根导线就能胜任六根导线的工作。

三相有源整流器的工作原理
前端
第一级使用三对二极管。每一对都与一个交流电压波相关联,每对二极管中的一个二极管代表波峰,另一个二极管代表波谷。只有当电压波接近或处于峰值或谷值时,电流才会流过二极管。
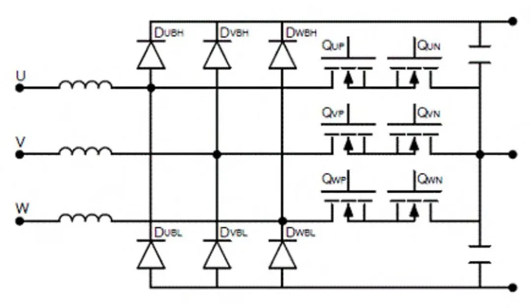
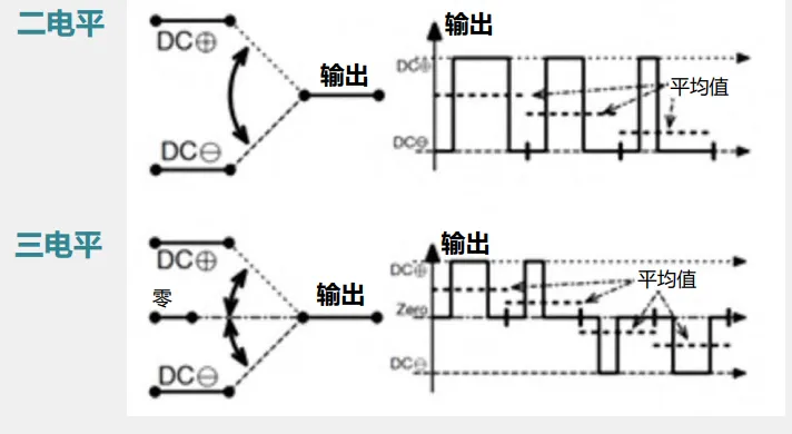
此第一相的输出是仅含纹波的直流电流。此第一相利用安森美使用的一种拓扑结构——T型中性点箝位 (T-NPC),如下图所示——实现了双向传输能力。它是一个采用三电平开关设计的1200V整流器,沿中性线路径以背靠背配对方式增加了六个双向开关。这样就无需使用整流桥来实现双向传输。

三电平开关不应与三相整流相混淆,尽管前者对PFC颇有益处。如上图所示,当开关处于“零电平”状态时,更容易利用其来构建更近似最终输出的波形。三电平开关拓扑大大降低了开关功率损耗,因为只有一半的总输出电压作用于某些二极管上。它还能减少电流纹波和电磁干扰,使电流更容易通过更小、更紧凑的电感器进行滤波,或者在可行的情况下,借用变压器固有的电感能力进行滤波。最适合三电平开关的器件通常是650 V SiC MOSFET。

调制器
三相整流器第二级的作用是使输出波形平滑。首先,正负极之间的电容在纹波过大时吸收电子,在纹波处于或接近谷值时释放电子。三相系统不需要大电容。
接下来,采用脉冲波调制 (PWM) 将这种平滑的直流电流塑造成在目标频率下近似正弦波的波形。为了完成调制,六个IGBT充当波形反相器的双向开关。对于每种设置,这些开关按精确且变化的时序导通和关断,从而改变电流路径。电流输出叠加后,整体波形更加平坦。
包含整流器的PFC功能块汲取与交流输入电压同相的交流电流,从而在最大限度提升功率因数 (PF) 的同时,尽量减少谐波失真。理想情况下,功率因数保持在1或非常接近1的水平,且没有任何失真。PF应保持在0.97到1.0之间。

未完待续,谐振电源转换级、安森美解决方案等更多内容敬请关注。
文章来源:安森美半导体









