跳转到主要内容
cathy 提交于

<strong>1、基本名词</strong>

常见的基本拓扑结构
■Buck降压
■Boost升压
■Buck-Boost降压-升压
■Flyback反激
■Forward正激
■Two-Transistor Forward双晶体管正激
■Push-Pull推挽
■Half Bridge半桥
■Full Bridge全桥
■SEPIC
■C’uk

基本的脉冲宽度调制波形

这些拓扑结构都与开关式电路有关。

基本的脉冲宽度调制波形定义如下:

<center><img src="http://mouser.eetrend.com/files/2018-12/wen_zhang_/100016333-54795-1.jp…; alt=“” width="600"></center>

<strong>2、Buck降压</strong>

<center><img src="http://mouser.eetrend.com/files/2018-12/wen_zhang_/100016333-54796-2.jp…; alt=“” width="600"></center>

特点

■把输入降至一个较低的电压。
■可能是最简单的电路。
■电感/电容滤波器滤平开关后的方波。
■输出总是小于或等于输入。
■输入电流不连续 (斩波)。
■输出电流平滑。

<strong>3、Boost升压</strong>

<center><img src="http://mouser.eetrend.com/files/2018-12/wen_zhang_/100016333-54797-3.jp…; alt=“” width="600"></center>

特点

■把输入升至一个较高的电压。
■与降压一样,但重新安排了电感、开关和二极管。
■输出总是比大于或等于输入(忽略二极管的正向压降)。
■输入电流平滑。
■输出电流不连续 (斩波)。

<strong>4、Buck-Boost降压-升压</strong>

<center><img src="http://mouser.eetrend.com/files/2018-12/wen_zhang_/100016333-54798-4.jp…; alt=“” width="600"></center>

特点
■电感、开关和二极管的另一种安排方法。
■结合了降压和升压电路的缺点。
■输入电流不连续 (斩波)。
■输出电流也不连续 (斩波)。
■输出总是与输入反向 (注意电容的极性),但是幅度可以小于或大于输入。
■“反激”变换器实际是降压-升压电路隔离(变压器耦合)形式。

<strong>5、Flyback反激</strong>

<center><img src="http://mouser.eetrend.com/files/2018-12/wen_zhang_/100016333-54799-5.jp…; alt=“” width="600"></center>

特点
■如降压-升压电路一样工作,但是电感有两个绕组,而且同时作为变压器和电感。
■输出可以为正或为负,由线圈和二极管的极性决定。
■输出电压可以大于或小于输入电压,由变压器的匝数比决定。
■这是隔离拓扑结构中最简单的
■增加次级绕组和电路可以得到多个输出。

<strong>6、Forward正激</strong>

<center><img src="http://mouser.eetrend.com/files/2018-12/wen_zhang_/100016333-54800-6.jp…; alt=“” width="600"></center>

特点
■降压电路的变压器耦合形式。
■不连续的输入电流,平滑的输出电流。
■因为采用变压器,输出可以大于或小于输入,可以是任何极性。
■增加次级绕组和电路可以获得多个输出。
■在每个开关周期中必须对变压器磁芯去磁。常用的做法是增加一个与初级绕组匝数相同的绕组。
■在开关接通阶段存储在初级电感中的能量,在开关断开阶段通过另外的绕组和二极管释放。

<strong>7、Two-Transistor Forward双晶体管正激</strong>

<center><img src="http://mouser.eetrend.com/files/2018-12/wen_zhang_/100016333-54801-7.jp…; alt=“” width="600"></center>

特点
■两个开关同时工作。
■开关断开时,存储在变压器中的能量使初级的极性反向,使二极管导通。
■主要优点:
■每个开关上的电压永远不会超过输入电压。
■无需对绕组磁道复位。

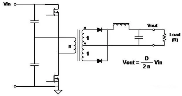
<strong>8、Push-Pull推挽</strong>

<center><img src="http://mouser.eetrend.com/files/2018-12/wen_zhang_/100016333-54802-8.jp…; alt=“” width="600"></center>

特点
■开关(FET)的驱动不同相,进行脉冲宽度调制(PWM)以调节输出电压。
■良好的变压器磁芯利用率---在两个半周期中都传输功率。
■全波拓扑结构,所以输出纹波频率是变压器频率的两倍。
■施加在FET上的电压是输入电压的两倍。

9、Half-Bridge半桥

<center><img src="http://mouser.eetrend.com/files/2018-12/wen_zhang_/100016333-54803-9.jp…; alt=“” width="600"></center>

特点
■较高功率变换器极为常用的拓扑结构。
■开关(FET)的驱动不同相,进行脉冲宽度调制(PWM)以调节输出电压。
■良好的变压器磁芯利用率---在两个半周期中都传输功率。而且初级绕组的利用率优于推挽电路。
■全波拓扑结构,所以输出纹波频率是变压器频率的两倍。
■施加在FET上的电压与输入电压相等。

<strong>10、Full-Bridge全桥</strong>

<center><img src="http://mouser.eetrend.com/files/2018-12/wen_zhang_/100016333-54804-10.j…; alt=“” width="600"></center>

特点
■较高功率变换器最为常用的拓扑结构。
■开关(FET)以对角对的形式驱动,进行脉冲宽度调制(PWM)以调节输出电压。
■良好的变压器磁芯利用率---在两个半周期中都传输功率。
■全波拓扑结构,所以输出纹波频率是变压器频率的两倍。
■施加在 FETs上的电压与输入电压相等。
■在给定的功率下,初级电流是半桥的一半。

<strong>11、SEPIC单端初级电感变换器</strong>

<center><img src="http://mouser.eetrend.com/files/2018-12/wen_zhang_/100016333-54805-11.j…; alt=“” width="600"></center>

特点
■输出电压可以大于或小于输入电压。
■与升压电路一样,输入电流平滑,但是输出电流不连续。
■能量通过电容从输入传输至输出。
■需要两个电感。

<strong>12、C’uk(Slobodan C’uk的专利)</strong>

<center><img src="http://mouser.eetrend.com/files/2018-12/wen_zhang_/100016333-54806-12.j…; alt=“” width="600"></center>

特点
■输出反相
■输出电压的幅度可以大于或小于输入。
■输入电流和输出电流都是平滑的。
■能量通过电容从输入传输至输出。
■需要两个电感。
■电感可以耦合获得零纹波电感电流。

<strong>13、电路工作的细节</strong>

下面讲解几种拓扑结构的工作细节

■降压调整器:
连续导电
临界导电
不连续导电
■升压调整器 (连续导电)
■变压器工作
■反激变压器
■正激变压器

<strong>14、Buck-降压调整器-连续导电</strong>

<center><img src="http://mouser.eetrend.com/files/2018-12/wen_zhang_/100016333-54807-13.j…; alt=“” width="600"></center>

■电感电流连续。
■Vout 是其输入电压 (V1)的均值。
■输出电压为输入电压乘以开关的负荷比 (D)。
■接通时,电感电流从电池流出。
■开关断开时电流流过二极管。
■忽略开关和电感中的损耗, D与负载电流无关。
■降压调整器和其派生电路的特征是:
输入电流不连续 (斩波), 输出电流连续 (平滑)。

<strong>15、Buck-降压调整器-临界导电</strong>

<center><img src="http://mouser.eetrend.com/files/2018-12/wen_zhang_/100016333-54808-14.j…; alt=“” width="600"></center>

■电感电流仍然是连续的,只是当开关再次接通时 “达到”零。
这被称为 “临界导电”。
输出电压仍等于输入电压乘以D。

<strong>16、Buck-降压调整器-不连续导电</strong>

<center><img src="http://mouser.eetrend.com/files/2018-12/wen_zhang_/100016333-54809-15.j…; alt=“” width="600"></center>

■在这种情况下,电感中的电流在每个周期的一段时间中为零。
■输出电压仍然 (始终)是 v1的平均值。
■输出电压不是输入电压乘以开关的负荷比 (D)。
■当负载电流低于临界值时,D随着负载电流而变化(而Vout保持不变)。

<strong>17、Boost升压调整器</strong>

<center><img src="http://mouser.eetrend.com/files/2018-12/wen_zhang_/100016333-54810-16.j…; alt=“” width="600"></center>

■输出电压始终大于(或等于)输入电压。
■输入电流连续,输出电流不连续(与降压调整器相反)。
■输出电压与负荷比(D)之间的关系不如在降压调整器中那么简单。在连续导电的情况下:

<center><img src="http://mouser.eetrend.com/files/2018-12/wen_zhang_/100016333-54811-17.p…; alt=“” width="600"></center>

在本例中,Vin = 5,
Vout = 15, and D = 2/3.
Vout = 15,D = 2/3.

<strong>18、变压器工作(包括初级电感的作用)</strong>

<center><img src="http://mouser.eetrend.com/files/2018-12/wen_zhang_/100016333-54812-18.j…; alt=“” width="600"></center>

■变压器看作理想变压器,它的初级(磁化)电感与初级并联。

<strong>19、反激变压器</strong>

<center><img src="http://mouser.eetrend.com/files/2018-12/wen_zhang_/100016333-54813-19.j…; alt=“” width="600"></center>

■此处初级电感很低,用于确定峰值电流和存储的能量。当初级开关断开时,能量传送到次级。

<strong>20、Forward 正激变换变压器</strong>

<center><img src="http://mouser.eetrend.com/files/2018-12/wen_zhang_/100016333-54814-20.j…; alt=“” width="600"></center>

■初级电感很高,因为无需存储能量。
■磁化电流 (i1) 流入 “磁化电感”,使磁芯在初级开关断开后去磁 (电压反向)。

<strong>21、总结</strong>

■此处回顾了目前开关式电源转换中最常见的电路拓扑结构。
■还有许多拓扑结构,但大多是此处所述拓扑的组合或变形。
■每种拓扑结构包含独特的设计权衡:
施加在开关上的电压
斩波和平滑输入输出电流
绕组的利用率
■选择最佳的拓扑结构需要研究:
输入和输出电压范围
电流范围
成本和性能、大小和重量之比

本文转载自:<a href="https://forum.mianbaoban.cn/topic/66466_1_1.html"&gt; 网络</a>
声明:本文为转载文章,转载此文目的在于传递更多信息,版权归原作者所有,如涉及侵权,请联系小编邮箱:cathy@eetrend.com 进行处理。

<strong><a href="http://www.mouser.cn/applications/&quot; style="color:red;">点击这里,获取更多关于应用和技术的有关信息</a></strong>
<strong><a href="https://www.mouser.cn/blog&quot; style="color:red;">点击这里,获取更多工程师博客的有关信息</a></strong>