处理MultiBoot升级半程掉电的原理和最基本方法 judy / 周五, 19 十二月 2025 - 11:30 之前在《一个思路: 缩短MultiBoot流程中的回跳 (Fallback) 时间》中,提到过FPGA无法处理升级Image过程中半程掉电的情形。但是仍然陆续有客户咨询这个问题。 阅读更多 关于 处理MultiBoot升级半程掉电的原理和最基本方法登录或注册以发表评论
2.5D/3D封装技术:FPGA单芯片逻辑资源突破500K桎梏的手段 judy / 周一, 8 十二月 2025 - 16:57 以FPGA领域全球排名第一名AMD-Xilinx的UltraScale架构系列产品为例,其内部结构如图所示 阅读更多 关于 2.5D/3D封装技术:FPGA单芯片逻辑资源突破500K桎梏的手段登录或注册以发表评论
UltraScale/UltraScale+:异步模式的适用时机及其使用方式 judy / 周二, 27 五月 2025 - 15:05 在 UltraScale/UltraScale+ 中引入了 RXTX_BITSLICE。该原语用于捕获和接收 XPIO IOB。 阅读更多 关于 UltraScale/UltraScale+:异步模式的适用时机及其使用方式登录或注册以发表评论
FPGA时序优化之Reduce MUXF Mapping 由 judy 提交于 周一, 1 四月 2024 - 09:26 今天我们就来看短线拥塞的一种解决方案 阅读更多 关于 FPGA时序优化之Reduce MUXF Mapping登录或注册以发表评论
UltraScale系列在时钟架构上的升级 由 judy 提交于 周二, 12 三月 2024 - 09:33 UltraScale架构的设备在时钟架构上有显著的创新 阅读更多 关于 UltraScale系列在时钟架构上的升级登录或注册以发表评论
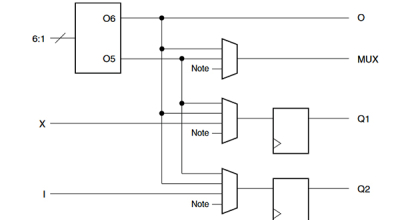
UltraScale FPGA 可编程逻辑块(CLB) 由 guanxiao_505740 提交于 周二, 30 一月 2024 - 09:32 本文为作者对AMD UltraScale FPGA可编程逻辑块的资源和设计方法的学习笔记 阅读更多 关于 UltraScale FPGA 可编程逻辑块(CLB)登录或注册以发表评论
UltraScale 设备中 1.25G/2.5G PON 应用的突发时钟数据恢复 judy / 周四, 11 一月 2024 - 17:03 本文描述了符合 ITU-T G.987 和 ITU-T G.989 标准的分数突发时钟数据恢复 (BCDR) 电路的实现 阅读更多 关于 UltraScale 设备中 1.25G/2.5G PON 应用的突发时钟数据恢复登录或注册以发表评论
UltraScale 开发板与套件 - 使用 System Controller 手动调整 VADJ judy / 周一, 19 六月 2023 - 10:42 VADJ 引脚是 VITA 57.1 FMC 标准的一部分,承载着从载卡到 I/O 夹层模块的可调节电压等级的电源 阅读更多 关于 UltraScale 开发板与套件 - 使用 System Controller 手动调整 VADJ登录或注册以发表评论
基于AMD FPGA的PCIE DMA逻辑实现 judy / 周四, 8 六月 2023 - 15:18 AMD FPGA自带PCIE硬核,实现了PCIE协议,把串行数据转换为并行的用户数据 阅读更多 关于 基于AMD FPGA的PCIE DMA逻辑实现登录或注册以发表评论
UltraScale+ Integrated 100G Ethernet Subsystem v3.1: 产品指南 judy / 周三, 26 四月 2023 - 16:51 本文档旨在提供高性能、低时延的 100 Gb/s 以太网端口,此端口支持广泛的用户自定义和统计数据收集 阅读更多 关于 UltraScale+ Integrated 100G Ethernet Subsystem v3.1: 产品指南登录或注册以发表评论