跳转到主要内容
--## 电子创新网图库均出自电子创新网,版权归属电子创新网,欢迎其他网站、自媒体使用,使用时请注明“图片来自电子创新网图库”,不过本图库图片仅限于网络文章使用,不得用于其他用途,否则我们保留追诉侵权的权利。 ##--

本网站转载的所有的文章、图片、音频视频文件等资料的版权归版权所有人所有,本站采用的非本站原创文章及图片等内容无法一一联系确认版权者。如果本网所选内容的文章作者及编辑认为其作品不宜公开自由传播,或不应无偿使用,请及时通过电子邮件或电话通知我们,以迅速采取适当措施,避免给双方造成不必要的经济损失。
judy 提交于

作者:魏作宇,来源:英飞凌工业半导体

由于第四桥臂的引入,对比三相三桥臂变换器,负载相电压的电平数从五个(±2Udc/3, ±1Udc/3, 0)降低到三个(±Udc, 0),因此自然的,相同电路参数下,输出电流的谐波畸变度将会更大,下图所示为相同开关频率,相同滤波器参数以及输出相同电流有效值情况下,两种拓扑的负载电压电流波形与电流THD对比,三相四桥臂变换器输出电流谐波含量明显更高。(参考链接:三相四线变换器拓扑与原理简介)因此,为了满足电能质量要求,可能需要进行拓扑多重化或多电平拓扑的应用,这将会显著增加功率器件成本,此时在三相四桥臂变换器中应用SiC MOSFET将会是更好的选择,无需增加更多功率器件,利用其高频开关的特点优化谐波性能,同时更低的损耗和更高的转换效率结合储能系统也可带来可观的经济收益。

图1. 三相三桥臂变换器相电压.png

图1. 三相三桥臂变换器相电压,电流波形,电流THD=3.23%

图2. 三相四桥臂变换器相电压.png

图2. 三相四桥臂变换器相电压,电流波形,电流THD=4.83%

在导通特性方面,由于IGBT的PNP+NPN结构,在集电极侧产生额外的PN结电压,因此其输出特性会包括来自PN结的转折电压降,而SiC MOSFET的输出特性曲线在到达饱和区之前则类似于正比例直线,这使得在低电流区域,SiC MOSFET的导通损耗显著更小,如图3所示。此外,SiC MOSFET可以反向导通,电流通过沟道从源极流向漏极,其导通电阻非常小。因此,在实际应用中,建议使用这种同步整流模式,尽量减少死区时间可以帮助减小体二极管的导通时间,进一步减少导通损耗。

图3. 同电流规格SiC MOSFET与IGBT损耗对比.png

图3. 同电流规格SiC MOSFET与IGBT损耗对比

在开关特性方面, SiC材料具有比Si材料更高的电子漂移速度,同时由于SiC MOSFET的单极导电特性,相比IGBT,关断时不存在拖尾电流现象,因此关断损耗大大降低。由于SiC二极管非常小的反向恢复能量,SiC MOSFET的开通损耗也远小于Si IGBT。如图3所示, SiC MOSFET在相同电流下表现出显著更低的开关损耗和更低的温度相关性。

通过PLECS仿真定量比较IGBT应用于T-NPC 三相四桥臂变换器和SiC MOSFET应用于两电平三相四桥臂变换器的性能差异,以工商业PCS离网放电工况为例,分别在负载均衡和不平衡情况下进行对比。结果表明,在相同的相电流THD指标下,SiC解决方案在损耗、效率、滤波电感参数减小、系统简化等方面具有优势。

图4. 两电平SiC MOSFET方案.png

图4. 两电平SiC MOSFET方案

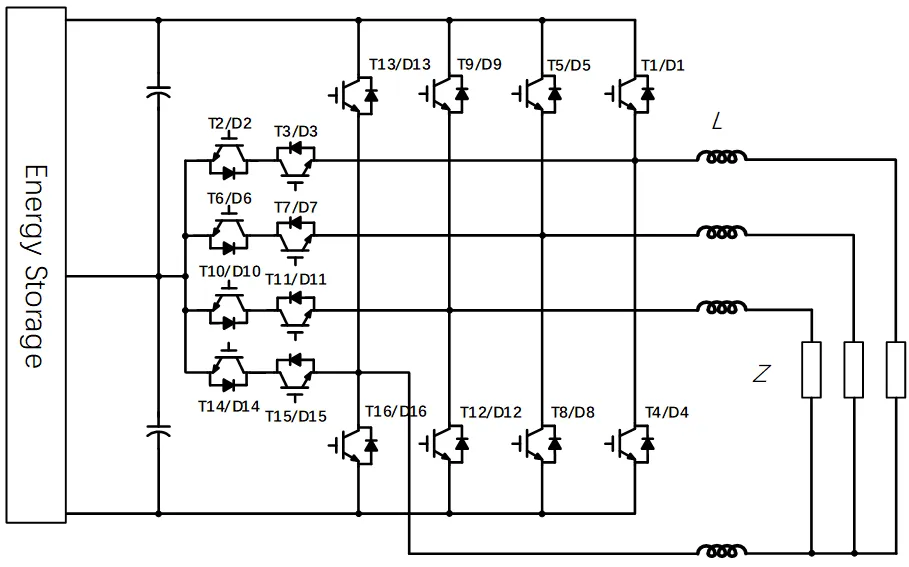
图5. 三电平IGBT方案.png

图5. 三电平IGBT方案

以额定功率125kW PCS为例,对于两电平SiC方案,应用IMZA120R030M1H 6并联,对于T-NPC IGBT方案,竖管采用IKY75N120CH7 6并联,横管采用IKZA75N65EH7 6并联,其他仿真条件如下表所列:

表:仿真条件.png

(1) 负载平衡,110%长期过载工况下,IGBT受限于开关损耗,开关频率通常小于20kHz。为了实现相同的总谐波失真(THD),以THD=3.15%为例,两电平SiC方案的滤波电感为142uH,而T-NPC方案的滤波电感需要增加到223uH。对于SiC方案,单个SiC MOSFET的损耗约为36.3W,最大结温为132.3℃,PCS效率达到99.03%(仅考虑功率半导体损耗)。对于T-NPC IGBT方案,竖管(如T1)是损耗最高的功率器件,单个IGBT的损耗约为35.5W,由于芯片尺寸更大,最高结温为116.5℃,但整体效率低于前者,为98.58%。因为三相负载平衡,N线电流非常小,第四桥臂功率器件的损耗非常低。

图6. 两电平SiC方案相电压电流波形.png

图6. 两电平SiC方案相电压电流波形,电流THD=3.15%

图7. 三电平IGBT方案相电压电流波形.png

图7. 三电平IGBT方案相电压电流波形,电流THD=3.14%

综上,在三相负载平衡条件下,应用两电平SiC方案可以简化电路拓扑,功率器件数量减少50%,相同相电流THD下,滤波电感感值减少36%,效率提升约0.5%。

(2) 100%负载不平衡工况意味着某一相与第四桥臂共同构成单相输出,其余两相不工作。仿真以110%过载条件下单相全功率输出为例,即单相输出功率为:

单相输出功率.png

对于两电平SiC方案,T1/T2和T7/T8的损耗相当,分别为34.5W和34.3W。但是,它们的最大结温相差6℃,分别为129.8℃和123.8℃,如图8所示。这是因为第四桥臂相当于输出三倍频成分,体现在功率器件上为较小的结温波动。对于三电平IGBT方案,以A相为例,竖管T1/T4的损耗与三相负载平衡条件下相同,为35.3W,最高结温为116.2℃。然而,在100%不平衡条件下,第四桥臂的横管导通时间较长,T14/T15的损耗为19.0W,D14/D15的损耗为19.5W,且导通损耗占较大比例。因此仿真中第四桥臂横管会成为结温最高点,为128.5℃。总体来看,在100%不平衡负载工况下,两种方案的最高结温差异很小。

图8. 两电平SiC方案.png

图8. 两电平SiC方案T1/T2与T7/T8不同的结温波动

总结

三相四桥臂变换器具有最强的抑制三相电压不平衡能力和灵活的单相供电能力。通常使用三次谐波注入的载波调制方法来提高直流电压利用率以及方便的解耦三相控制。对于三相四桥臂变换器,两电平SiC MOSFET方案相对于三电平IGBT方案具有一定优势,一是简化系统拓扑并大大减少了功率器件的数量,二是考虑到平衡和不平衡负载条件下,两者的最高结温基本相同,但在相同输出电流THD的情况下,前者具有更高的效率,可以应用更小的滤波电感,因此具有更高的功率密度,一定程度上是更具性价比的方案。

精彩推荐

2026英伟达GTC大会专题

CES 2026(国际消费类电子产品展览会)专题

第四届南渡江智慧医疗与康复产业高峰论坛

第十五届松山湖中国IC创新高峰论坛

第四届滴水湖中国RISC-V产业论坛

Recent comments

  • 1873774516_516738
  • 2460440665_516737
  • 1457585548_516736
  • 780289498_516735
  • 2283262460_516734