湖南静芯推出耐压 (Vds) 为100V的ESD增强型MOSFET ESP10N10K,可应用于 DC-DC 转换、负载开关以及便携设备的电源管理等领域,完美匹配主流PoE功率级别。该器件在SOP8封装内集成 ESD 器件,使MOS 管在无外置ESD器件保护的情况下拥有 IEC ±10kV,HBM ±15kV 的静电防护能力,是PoE(以太网供电)系统性能、可靠性、成本和尺寸的最佳选择。
应用示例
在PoE系统中,MOS管是控制电力传输的核心开关元件,尤其在PSE端,它直接决定了供电的智能性、效率和可靠性。PSE控制器通过精确控制MOS管的导通状态,向线路施加不同电压,来探测和识别PD,在握手成功后可为PD供电,并在故障时快速切断,完成发现、分类、供电、监控、断电的完整智能供电流程。

图1 标准PSE控制端和非标准PSE控制端典型应用
对于 PD 输入电桥,使用肖特基二极管代替 PN 结二极管可将功耗降低约 30%。使用 FET 桥架构时,通常可以进一步提高效率。MOS管可控、高效、低导通损耗,可精确控制的主动开关,在追求高效率的同时,兼顾了可靠性和稳定性。

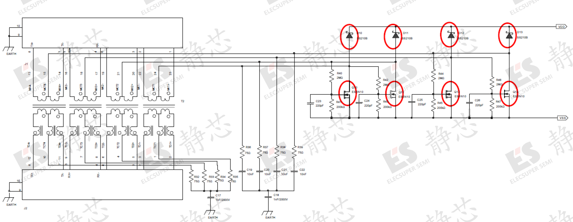
图2 PD 输入电桥典型应用
为POE系统选择MOS管时,需充分考虑静电、雷击、感性负载断开等引起的电压尖峰。PSE端口输出电压最大值可达57V,为确保MOS管的耐压(Vds)和最大持续电流(Id)留足安全余量,我们推荐使用耐压 (Vds) 为100V的MOS管。
ESP10N10K介绍
ESP10N10K是湖南静芯研发的一款耐压为100V的N沟道增强型MOS场效应晶体管,采用先进的沟槽技术与设计,具有优异的导通电阻(RDS)和低栅极电荷特性,SOP8封装内集成 ESD 器件,使MOS 管在无外置ESD期间保护的情况下拥有 IEC ±10kV,HBM ±15kV的静电防护能力。该器件IGSS在100nA以内,在VGS = 10V,ID= 3.5A的条件下,RDS(on) =90mΩ;在VGS =4.5V,ID= 2A的条件下,RDS(on)=120mΩ该器件的相关曲线图及参数如下所示。

表1 ESP10N10K电气特性表
|
|
导通区域特性曲线 | 转移特性曲线 |
|
|
电容特性曲线 | 导通电阻vs.结温 |
表2 ESP10N10K相关曲线表
总结与结论
为PoE系统选择合适的MOS管至关重要,它不仅需要承受网线热插拔和变压器漏感产生的高压尖峰,同时其导通电阻、开关速度等参数又深刻影响着电源转换效率。湖南静芯推出的耐压 (Vds) 为100V的N沟道增强型MOSFET ESP10N10K,拥有 IEC ±10kV,HBM ±15kV 的静电防护能力,效率高损耗低,将是PoE系统的可靠选择。
湖南静芯ESD器件工作电压涵盖1.0~38V,电流涵盖4~30A,电容最低至0.1pF,封装涵盖CSP、FC及各类封装形式。同时推出22V&33V TDS平缓浪涌抑制器,可用于保护工作电压为20V、24V、28V、36V的系统,具有精准且恒定的触发电压、优异的钳位性能及稳定的温度特性,可为系统提供更全面保护。结合TDS器件与深回扫ESD优势,湖南静芯是国内首家推出USB4.0完整解决方案的公司,详情可以参考:“湖南静芯推出USB4.0&PD3.0的ESD&EOS防护完整解决方案100W+80G/120G”与“湖南静芯推出USB4.0&PD3.1的ESD&EOS防护完整解决方案140W&180W+80G/120G”等文章。



