跳转到主要内容

什么是端接与拓扑?这次说清楚了......

cathy 提交于

<strong>端接目的与种类</strong>

在高速数字系统中,传输线上阻抗不匹配会引起信号反射,减小和消除反射的方法是根据传输线的特性阻抗在其发送端或接收端进行阻抗匹配,从而使源反射系数或负载反射系数为零。

传输线的端接通常采用两种策略:

1)使负载阻抗与传输线阻抗匹配,即终端端接;

2)使源阻抗与传输线阻抗匹配,即源端端接。

<strong>端接策略选择</strong>

如果负载反射系数或源反射系数二者任一为零,反射将被消除。从系统设计的角度,应首选策略1,因其是在信号能量反射回源端之前在负载端消除反射,因而消除一次反射,这样可以减小噪声、电磁干扰(EMI)及射频干扰(RFI),而策略2则是在源端消除由负载端反射回来的信号,只是消除二次反射,在发生电平转移时,源端会出现半波波形,不过由于策略2实现简单方便,在许多应用中也被广泛采用。

<strong>串接端接</strong>

常见的走线拓扑你都了解吗?

cathy /

拓扑在电子领域提到的还是比较多的,拓扑反映了硬件的整体框架,例如常见的非隔离式电源中的三种经典拓扑:降压、升压以及升降压(buck、boost & buck-boost)。在PCB的走线过程中,针对各个器件之间也有一定的拓扑关系,让我们一起来了解一下。

<center><img src="http://mouser.eetrend.com/files/2019-08/wen_zhang_/100044714-77849-1.pn…; alt=“” width="600"></center>

<strong>1、点到点拓扑</strong>

最简单的拓扑结构,单一驱动器、单一接收器。

<strong>2、紧凑树形拓扑</strong>

图文详解,各种拓扑的“伏秒平衡”!

cathy 提交于

这是之前做的一个课件,所有图都是用SCH画的,如果画得不好请见谅,能看懂意思就行。可能一些网友会觉得,怎么来来回回总在讲伏秒衡?

因为它重要,而且它可以验证很多磁性元件的错误用法。

<strong>基本法则</strong>

<center><img src="http://mouser.eetrend.com/files/2019-05/博客/100042898-68701-z1.jpg&quot; alt=“” width="600"></center>

<strong>驱动变压器</strong>

通过选择拓扑提高工业AC/DC电源的可靠性

cathy 提交于

<strong><font color="#FF0000">作者:德州仪器 Salil Chellappan</font> </strong>

提高电源可靠性的关键在于降低功率元件的热、电压和电流应力,这主要是输入电压和所需功率的函数。不过,您可选择有助于减轻这些应力的拓扑。

同样,虽然热应力是额定功率的函数,但电源效率也起着重要作用。因此,在追求可靠性的过程中,探索提供高效率的拓扑结构和电路元件极其重要。

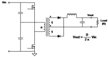
在我们的94.5%效率、500 W工业AC / DC参考设计中,前端功率因数校正(PFC)级是交错式过渡模式升压拓扑,尽管单级连续导通模式(CCM)升压拓扑结构是也是一个可行选择。拓扑选择主要是出于器件压力的考虑;交错式拓扑,因两级并联工作,将功率元件(升压电感、开关金属氧化物半导体场效应晶体管[MOSFET]和整流二极管)中的电流应力降低了两倍。图1所示为两种拓扑的简化图。

太全了,20种开关电源拓扑的优缺点对比!

cathy /

<strong>1、基本名词</strong>

常见的基本拓扑结构
■Buck降压
■Boost升压
■Buck-Boost降压-升压
■Flyback反激
■Forward正激
■Two-Transistor Forward双晶体管正激
■Push-Pull推挽
■Half Bridge半桥
■Full Bridge全桥
■SEPIC
■C’uk

基本的脉冲宽度调制波形

这些拓扑结构都与开关式电路有关。

基本的脉冲宽度调制波形定义如下:

<center><img src="http://mouser.eetrend.com/files/2018-12/wen_zhang_/100016333-54795-1.jp…; alt=“” width="600"></center>

开关电源中如何选择合适的拓扑?看完这篇你就明白了!

cathy /

开关电源中有几种基础的拓扑,buck拓扑电路、boost拓扑电路以及反激式开关电源等等。这些拓扑既有他们相同之处,也有其独特性。一般,经验丰富的工程师在设计的时候能够根据需求选择适合的拓扑。而对于初学者来说,如何选择合适的拓扑这就非常困难了。因此,就需要我们很好的掌握拓扑的基本特性,这是非常有必要的。这对我们在设计时选择合适的拓扑也是很有帮助的,可以避免因为拓扑选择不当而浪费时间。

一些拓扑适用于离线式(电网供电的)AC/DC变换器,其中有些适合小功率输出(&lt;200W),有些适合大功率输出;有些适合较高的AC输人电压(>=220V AC),而有些适合较低的AC输人电压的场合;有些在较高的DC输出电压( >200V)场合有较大的优势,而有些在较低的DC输出电压场合有较大的优势。对于多级电压输出的应用场合,使用器件较少或是在器件数与可靠性之间有较好折中是选择拓扑要考虑的因素。同时,输入/输出纹波和噪声要求也是选择拓扑要考虑的重要因素。某些拓扑因其本身固有的局限性,需要辅助电路或更复杂的电路,使得在某些应用场合它的特性变得非常难以分析。

因此,要恰当选择拓扑,熟悉各种不同基本拓扑的优缺点是非常重要的。错误的选择会导致电源的性能变差,甚至浪费设计时间和成本。因此有必要充分地了解不同拓扑的基本特性参数。

浅析开关电源11种拓扑结构的特点!

cathy /

<strong>基本名词</strong>

常见的基本拓扑结构

■Buck降压
■Boost升压
■Buck-Boost降压-升压
■Flyback反激
■Forward正激
■Two-Transistor Forward双晶体管正激
■Push-Pull推挽
■Half Bridge半桥
■Full Bridge全桥
■SEPIC
■C’uk

1、基本的脉冲宽度调制波形

这些拓扑结构都与开关式电路有关。

基本的脉冲宽度调制波形定义如下:

<center><img src="http://mouser.eetrend.com/files/2018-03/wen_zhang_/100010539-36731-j1.j…; alt=“” width="600"></center>